• 加拿大28
  • 电话:021-51875578
  • 传真:021-57443237
  • 手机:13916747333
  • 邮箱:a15566@126.com
  • 地址:奉贤区工业综合开发区942号
当前位置:首页 >> 安全阀 >> 保温安全阀 >> 保温夹套安全阀
更新时间 2025-12-4 21:22:40


保温安全阀
    保温夹套安全阀
    保温夹套安全阀   产品名称: 保温夹套安全阀
    型号:LDNJ
    口径:DN15-200
    压力:150-2500LB
    材质:碳钢、不锈钢等

    良大优势:

    1、质量稳定:实行全过程质量监控
    细心把关,全方位检测!
    2、价格合理:高效率的成本控制
    减少开支,让利于客户!
    3、交货快捷:充足的库存,便捷的物流
    严格按照合同期交货!

    订货须知:

    请您尽量提供详细参数
    ①名称 ②型号 ③口径 ④压力 ⑤材质
    ⑥连接 ⑦传动 ⑧温度 ⑨介质 ⑩附件

    良大服务:

    提供全套流体控制解决方案,良大阀门
    售前、售中、售后专业服务。
    您正在浏览:【保温夹套安全阀

       保温夹套安全阀详细介绍


    保温夹套安全阀产品概述:
    保温夹套安全阀是在原有背压平衡式安全阀的基础上增加了保温夹套,起到对安全阀阀座中的介质进行保温的作用,防止介质的结晶或凝固,常用于聚酯﹑乙烯及尿素化肥等装置中介质需要保温之处。

    保温夹套安全阀产品优点:
    1、用作聚酯、乙烯、沥青及尿素化肥等装置中介质需要保温的压力安全泄压阀。
    2、对进、出口法兰在内的阀体均进行保温,因而保温效果好;特殊需要时可以增加蒸汽冲洗功能。
    3、平衡波纹管式结构,变动背压力不影响安全阀的整定压力,且波纹管对弹簧等阀盖内的零件起到保护介质侵蚀作用。
    4、内件(阀瓣、阀座)标准材料均为奥氏体不锈钢,密封面堆焊Stellite硬质合金。
    5、特殊需要时内件可提供尿素级316L、双相不锈钢0Cr25Ni6Mo3CuN, 00Cr25Ni6Mo2N及超级双相不锈钢F51 (NUS S31803), F53(UNS S32750), F55 (UNS S32760)。

    保温夹套安全阀标准规范:
    设计规范:API RP 520
    结构长度:API RP 520
    法兰连接:ANSI B16.34
    试验与检验:API 527

    保温夹套安全阀型号编制:

    例:进口法兰压力为150lb,阀体材料为碳钢,阀帽为带螺塞的螺纹式安全阀,其型号为:LDNJ-01CB。

    保温夹套安全阀零件材料:


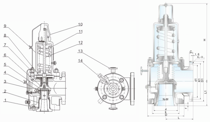
    保温夹套安全阀外形结构图:


    保温夹套安全阀连接尺寸:法兰磅级300lb/150lb,进口/出口


    提示:本文中所有文字、数据、图片均只适用于参考,需要了解更详细的【保温夹套安全阀】参数、选型、价格等请联系我们,我们将竭诚为您服务!