• 加拿大28
  • 电话:021-51875578
  • 传真:021-57443237
  • 手机:13916747333
  • 邮箱:a15566@126.com
  • 地址:奉贤区工业综合开发区942号
当前位置:首页 >> 真空阀门 >> 真空挡板阀 >> GDQ-J(b)-A型气动高真空挡板阀
更新时间 2025-12-4 21:18:31


真空挡板阀
    GDQ-J(b)-A型气动高真空挡板阀
    GDQ-J(b)-A型气动高真空挡板阀   产品名称: GDQ-J(b)-A型气动高真空挡板阀
    型号:GDQ-J(b)-A
    口径:DN10-40
    压力:0.6×106 ~1.3×10-4
    材质:铸钢、不锈钢

    良大优势:

    1、质量稳定:实行全过程质量监控
    细心把关,全方位检测!
    2、价格合理:高效率的成本控制
    减少开支,让利于客户!
    3、交货快捷:充足的库存,便捷的物流
    严格按照合同期交货!

    订货须知:

    请您尽量提供详细参数
    ①名称 ②型号 ③口径 ④压力 ⑤材质
    ⑥连接 ⑦传动 ⑧温度 ⑨介质 ⑩附件

    良大服务:

    提供全套流体控制解决方案,良大阀门
    售前、售中、售后专业服务。
    您正在浏览:【GDQ-J(b)-A型气动高真空挡板阀

       GDQ-J(b)-A型气动高真空挡板阀详细介绍


    GDQ-J(b)-A型气动高真空挡板阀产品概述:

    GDQ-J(b)-A型系列气动高真空挡板阀(又称角阀)采用波纹管密封。该阀以压缩空气为动力,通过电磁换向阀改变气路方向,推动气缸活塞上下运动,带动阀杆上下运动,使阀板开启或关闭,从而达到在真空系统中接通或切断气流的目的。本阀具有工作平稳、密封可靠、寿命长等一系列优点,是真空设备的自动化首选阀门之一。阀门适用介质为空气及非腐蚀性气体。

    GDQ-J(b)-A型气动高真空挡板阀技术性能:
    适用范围(Pa)
    2x105~1.3x10-6
    阀门漏率(Pa.L/S)
    ≤1.3x10-7
    适用温度(℃)

    -25~+40

    气源压力(MPa)
    0.4~0.6
    法兰标准
    GB4982
    安装位置
    任意
    电源电压

    标准出厂:AC220V/50Hz
    特殊指定:AC110V;DC24V;DC12V等

    信号反馈
    标准出厂:不带反馈信号
    特殊指定:微动开关DC/AC5~240V

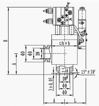
    GDQ-J(b)-A型气动高真空挡板阀外形结构图:


    GDQ-J(b)-A型气动高真空挡板阀连接尺寸:
    型号
    通径(DN)
    ΦD
    ΦB
    H
    A
    L
    bxb
    GDQ-J10(b)A
    10
    30
    12.2
    139
    40
    40
    40x40
    GDQ-J16(b)A
    16
    30
    17.2
    139
    40
    40
    40x40
    GDQ-J25(b)A
    25
    40
    26.2
    161
    50
    51
    62x62
    GDQ-J40(b)A
    40
    55
    41.2
    191
    65
    60
    80x80

    提示:本文中所有文字、数据、图片均只适用于参考,需要了解更详细的【GDQ-J(b)-A型气动高真空挡板阀】参数、选型、价格等请联系我们,我们将竭诚为您服务!