• 加拿大28
  • 电话:021-51875578
  • 传真:021-57443237
  • 手机:13916747333
  • 邮箱:a15566@126.com
  • 地址:奉贤区工业综合开发区942号
当前位置:首页 >> 球阀 >> 三通球阀 >> 双相钢Y型三通球阀
更新时间 2025-12-4 21:25:53


三通球阀
    双相钢Y型三通球阀
    双相钢Y型三通球阀   产品名称: 双相钢Y型三通球阀
    型号:Q42Y
    口径:DN50-400
    压力:1.6-6.4MPa
    材质:双相钢

    良大优势:

    1、质量稳定:实行全过程质量监控
    细心把关,全方位检测!
    2、价格合理:高效率的成本控制
    减少开支,让利于客户!
    3、交货快捷:充足的库存,便捷的物流
    严格按照合同期交货!

    订货须知:

    请您尽量提供详细参数
    ①名称 ②型号 ③口径 ④压力 ⑤材质
    ⑥连接 ⑦传动 ⑧温度 ⑨介质 ⑩附件

    良大服务:

    提供全套流体控制解决方案,良大阀门
    售前、售中、售后专业服务。
    您正在浏览:【双相钢Y型三通球阀

       双相钢Y型三通球阀详细介绍


    双相钢Y型三通球阀产品概述:
    双相钢Y型三通球阀是一种主阀体、支管体、阀盖、带柄球体以及金属阀座等主要部件由2205、2507或ASTM A995 GRADE 4A(CD3MN)、5A(CE3MN)、6A(CD3MWCuN)及ASTM A182 F51(S31803)、F53(S32750)、F55(S32760)、F60(S32205)等材质铸造或锻造而成,具有一个入口和两个出口,适用于Y形管路中介质流向切换的双相不锈钢Y型三通球阀,其阀体中设有两通孔成120度或135的角的球体以及具有一进两出的三个管口的流体通道,可以实现二种不同流向切换,且密封性能好,使用时间长,流体流动阻力小,便于流道的清理。

    双相钢Y型三通球阀产品优点:
    双相钢Y型三通球阀主体所使用的材料为由铁素体和奥氏体两相按适当的比例构成的双相不锈钢,它不但有优良的耐点蚀、缝隙蚀、应力腐蚀性能,而且增加了强度和韧性,因此,本产品特适用于工作介质为含氯化物、H₂S、CO₂等腐蚀性的液体、气体或颗粒状物料,以及适合在海水等包含氯离子的湿润环境中使用。

    双相钢Y型三通球阀技术规范:


    双相钢Y型三通球阀零件材料:


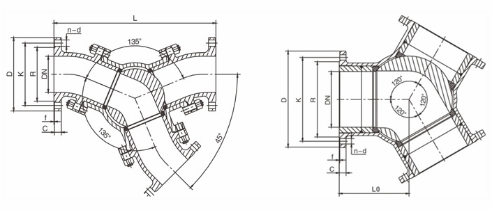
    双相钢Y型三通球阀外形结构图:


    双相钢Y型三通球阀外形尺寸表:


    双相钢Y型三通球阀产品参数:
    尊敬的客户!如果您需要订购我公司双相钢Y型三通球阀产品,咨询时请提供结构类型、公称尺寸、公称压力、阀体和内件材料、使用介质及组分、工作温度、驱动方式(手动、蜗轮传动、气动、电动、液动等)、法兰标准及密封面形式等,本产品可采用国标、美标、德标、日标等设计标准制造。

    提示:本文中所有文字、数据、图片均只适用于参考,需要了解更详细的【双相钢Y型三通球阀】参数、选型、价格等请联系我们,我们将竭诚为您服务!