• 加拿大28
  • 电话:021-51875578
  • 传真:021-57443237
  • 手机:13916747333
  • 邮箱:a15566@126.com
  • 地址:奉贤区工业综合开发区942号
当前位置:首页 >> 陶瓷阀门 >> 陶瓷出料阀 >> 气动陶瓷耐磨出料阀
更新时间 2025-12-4 21:19:07


陶瓷出料阀
    气动陶瓷耐磨出料阀
    气动陶瓷耐磨出料阀   产品名称: 气动陶瓷耐磨出料阀
    型号:Z674TC
    口径:DN40-300
    压力:1.0-6.4MPa
    材质:铸钢、不锈钢

    良大优势:

    1、质量稳定:实行全过程质量监控
    细心把关,全方位检测!
    2、价格合理:高效率的成本控制
    减少开支,让利于客户!
    3、交货快捷:充足的库存,便捷的物流
    严格按照合同期交货!

    订货须知:

    请您尽量提供详细参数
    ①名称 ②型号 ③口径 ④压力 ⑤材质
    ⑥连接 ⑦传动 ⑧温度 ⑨介质 ⑩附件

    良大服务:

    提供全套流体控制解决方案,良大阀门
    售前、售中、售后专业服务。
    您正在浏览:【气动陶瓷耐磨出料阀

       气动陶瓷耐磨出料阀详细介绍


    气动陶瓷耐磨出料阀产品概述:

    气动陶瓷耐磨出料阀专为气力除灰系统设计,具有启闭动作可靠、启动负荷小;本阀料口全流通无阻挡物有吹堵装置,不容易积灰。耐磨性强、阻力小、卡灰及结灰现象少;安装检修方便、使用寿命长、密封性能好等特点。 独特的设计理念在于阀门动作时阀板对阀座密封面产生自研磨,抛光作用,使它在恶劣工况的使用过程中能不断提高耐磨性和密封性。气动陶瓷耐磨出料阀采用结构陶瓷做密封件,耐冲刷、耐磨性好。撑开式双闸板密封结构,阀门关闭时双向密封;根据不同工况可设置吹扫口、灰渣漏斗,适用于干灰系统、渣浆等介质的输送系统中;积灰少,无卡涩,维护简单,使用寿命长。气动执行器采用全封闭推杆式直缸驱动,性能可靠,输出扭距大,可满足在恶劣工况条件下工作。也可适用于矿山、造纸、化工等各类有磨损的干粉尘、水、蒸汽等介质。

    气动陶瓷耐磨出料阀性能特点:
    1、具有自动清洁功能,开放式的大体腔结构可以保证闸板自由升降运动并防止体腔内积料,同时也避免损伤阀门密封面。阀门开启时,闸板会绕自身轴线旋转,能自动清洁阀门密封面内的杂物,因此具有自动清洁功能。
    2、阀门密封面不易受损,已经证实,绕自身轴线旋转的闸板在高磨损和高冲刷工况中具有出色的表现,两个阀板间有弹簧负载,保证阀门可以双向密封。闸板的尖锐的棱角可以有效刮除密封面上的杂质。

    气动陶瓷耐磨出料阀应用规范:

     设计与制造

     GB/T 12224

     连接端尺寸

     结构长度

    厂商标准

    法兰尺寸

     JB/T 79.1

    检验与试验

    GB/T 9092

     材料

    碳钢

    GB/T 12229

     不锈钢

     GB/T 12230

    标志

     GB/T 12220

    供货

    GB/T 12252


    气动陶瓷耐磨出料阀
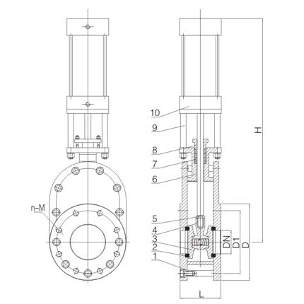
    零件材料:

    序号

     名称

     材料

     序号

     名称

     材料

     1

     阀体

    WCB

    中阀体

     WCB

     2

     阀座

     结构陶瓷

    填料

     柔性石墨

     3

     阀板

    WCB+结构陶瓷

    填料压盖

    WCB

     4

     阀板座

     WCB

     支柱

     25#

     5

     螺母

    25#

    10 

     气动装置

    成品件


    气动陶瓷耐磨出料阀外形结构图:


    气动陶瓷耐磨出料阀连接尺寸:

     DN

     PN(Mpa)

     L

     D

     D1

     C

     H

     n-d

     40

     1.0

     120

    150

     110

    16

     450

    4-m16

    50

     120

     165

     125

    16

     510

     4-m16

     65

     120

     180

     145

     18

    580

    4-m16

    80

     120

     195

    160

     20

     610

    8-m16

    100

     120

     215

     180

     20

     670

    8-m16

     125

     160

     250

     210

     22

    780

    8-m16

     150

     160

     285

     240

     24

     850

     8-m20

     175

     160

     315

     270

     26

     950

     8-m20

     200

     160

     340

     295

     26

     1050

    8-m20

    225

     160

    370

    325

     30

    1100

     8-m20

     250

     200

     395

     350

    30

     1190

     12-m20

     300

     200

    450

    400

    30

     1350

    12-m20


    提示:本文中所有文字、数据、图片均只适用于参考,需要了解更详细的【气动陶瓷耐磨出料阀】参数、选型、价格等请联系我们,我们将竭诚为您服务!