• 加拿大28
  • 电话:021-51875578
  • 传真:021-57443237
  • 手机:13916747333
  • 邮箱:a15566@126.com
  • 地址:奉贤区工业综合开发区942号
当前位置:首页 >> 柱塞阀 >> 角式柱塞阀 >> 角式柱塞阀
更新时间 2025-12-4 21:13:02


角式柱塞阀
    角式柱塞阀
    角式柱塞阀   产品名称: 角式柱塞阀
    型号:U44SM、UJ44H
    口径:DN15-400
    压力:1.6-4.0MPa
    材质:铸铁、铸钢、不锈钢等

    良大优势:

    1、质量稳定:实行全过程质量监控
    细心把关,全方位检测!
    2、价格合理:高效率的成本控制
    减少开支,让利于客户!
    3、交货快捷:充足的库存,便捷的物流
    严格按照合同期交货!

    订货须知:

    请您尽量提供详细参数
    ①名称 ②型号 ③口径 ④压力 ⑤材质
    ⑥连接 ⑦传动 ⑧温度 ⑨介质 ⑩附件

    良大服务:

    提供全套流体控制解决方案,良大阀门
    售前、售中、售后专业服务。
    您正在浏览:【角式柱塞阀

       角式柱塞阀详细介绍


    角式柱塞阀产品描述:

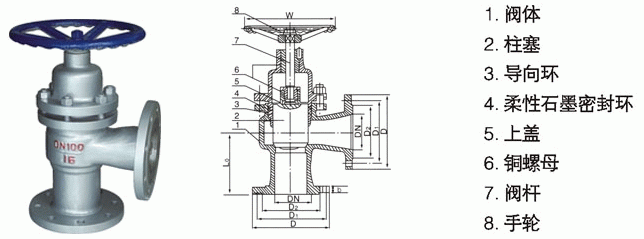
    角式柱塞阀与直通式柱塞阀的工作原理完全相同,只不过是安装在管线中的位置不同,因而石油、化工、化肥、制药等长输管线中有不少的拐角转弯处,而角式柱塞阀正好装在这个部位,这样不但减少了接管弯头,安装方便,省工、省料等特点。柱塞阀的关闭由一个不锈钢柱塞、上下两只富弹性密封圈及一个金属隔框组成,密封效果由柱塞与密封圈紧密配合来达到,柱塞插在两只密封圈中,密封面积远大于普通截止阀;开关柱塞阀时,柱塞在密封圈中缓慢移动,接触面几乎不磨损,关闭时,柱塞插入下密封圈,截断流道;开启时,柱塞虽然脱离下密封圈,但仍藏在上密封圈内,保持与外界隔离,不致发生泄漏。

    角式柱塞阀外形结构图:


    角式柱塞阀连接尺寸:

    DN(mm)/
    尺寸 (mm)

    U44SM-16C(P)            UJ44H-16C.P.R

    15

    20

    25

    32

    40

    50

    65

    80

    100

    125

    150

    200

    250

    300

    350

    400

    L

    90

    95

    100

    105

    115

    125

    145

    155

    175

    200

    225

    275

    325

    375

    425

    475

    H

    190

    210

    220

    250

    280

    300

    320

    370

    420

    440

    530

    610

    730

    850

    970

    1100

    W

    100

    100

    120

    140

    160

    180

    200

    240

    280

    320

    350

    400

    520

    640

    760

    900

    D

    95

    105

    115

    135

    145

    160

    180

    195

    215

    245

    280

    335

    405

    460

    520

    580

    D1

    65

    75

    85

    100

    110

    125

    145

    160

    180

    210

    240

    295

    355

    410

    470

    525

    D2

    45

    55

    65

    78

    85

    100

    120

    135

    155

    188

    210

    265

    295

    375

    435

    485

    b

    12

    12

    12

    13

    13

    13

    15

    17

    17

    19

    21

    23

    27

    28

    30

    32

    Z-φd

    4-14

    4-14

    4-14

    4-18

    4-18

    4-18

    4-18

    8-18

    8-18

    8-18

    8-23

    12-23

    12-25

    12-25

    16-25

    16-30


    DN(mm)/
    尺寸 (mm)

    U44SM-25(P)           UJ44H-25C.P.R

    15

    20

    25

    32

    40

    50

    65

    80

    100

    125

    150

    200

    250

    300

    350

    400

    L

    90

    95

    100

    105

    115

    125

    145

    155

    175

    200

    225

    275

    325

    375

    425

    475

    H

    190

    210

    230

    260

    260

    290

    320

    370

    420

    460

    530

    610

    730

    850

    970

    1100

    W

    100

    100

    110

    140

    160

    180

    200

    240

    280

    320

    350

    400

    520

    640

    760

    900

    D

    95

    105

    115

    135

    145

    160

    180

    195

    230

    270

    300

    360

    425

    485

    550

    610

    D1

    65

    75

    85

    100

    110

    125

    145

    160

    190

    220

    250

    310

    370

    430

    490

    550

    D2

    45

    55

    65

    78

    85

    100

    120

    135

    160

    188

    218

    282

    345

    408

    465

    535

    b

    14

    14

    14

    15

    15

    170

    19

    19

    21

    25

    27

    31

    33

    36

    40

    44

    Z-φd

    4-14

    4-14

    4-14

    4-18

    4-18

    4-18

    8-18

    8-18

    8-23

    8-25

    8-25

    12-25

    12-30

    16-30

    16-34

    16-34


    角式柱塞阀产品实物图:


    提示:本文中所有文字、数据、图片均只适用于参考,需要了解更详细的【角式柱塞阀】参数、选型、价格等请联系我们,我们将竭诚为您服务!