• 加拿大28
  • 电话:021-51875578
  • 传真:021-57443237
  • 手机:13916747333
  • 邮箱:a15566@126.com
  • 地址:奉贤区工业综合开发区942号
当前位置:首页 >> 角座阀 >> 法兰角座阀 >> 法兰气动角座阀
更新时间 2025-12-4 21:12:29


法兰角座阀
    法兰气动角座阀
    法兰气动角座阀   产品名称: 法兰气动角座阀
    型号:Y645F/W
    口径:DN15-100
    压力:1.6-4.0MPa
    材质:304、316不锈钢

    良大优势:

    1、质量稳定:实行全过程质量监控
    细心把关,全方位检测!
    2、价格合理:高效率的成本控制
    减少开支,让利于客户!
    3、交货快捷:充足的库存,便捷的物流
    严格按照合同期交货!

    订货须知:

    请您尽量提供详细参数
    ①名称 ②型号 ③口径 ④压力 ⑤材质
    ⑥连接 ⑦传动 ⑧温度 ⑨介质 ⑩附件

    良大服务:

    提供全套流体控制解决方案,良大阀门
    售前、售中、售后专业服务。
    您正在浏览:【法兰气动角座阀

       法兰气动角座阀详细介绍


    法兰气动角座阀主要技术参数:

    阀体材质:304、316、316L
    阀芯材质:304、316、316L
    阀座材质:PTFE、F46
    公称通径:DN15-DN80
    适用温度:PTFE:-30℃~180℃ 
    环境温度:-30℃~80℃
    公称压力:1.6Mpa
    连接方式:法兰式
    设计标准:GB、ANSI、DIN、ISO
    控制方式:单作用:气开式气关式,双作用
    气缸材质:聚酰胺PA、不锈钢
    可选附件:电磁阀、限位开关、电气定位器

    口径

    英寸

    内径

    Kv

    最大压差

    气源压力

    气缸缸径

    流向

    DN10

    3/8’

    10

    3.7

    0-16bar

    4-7bar

    50

    蒸汽、气体

    阀座上流向

    DN15

    1/2’

    15

    4.2

    50

    DN20

    3/4’

    20

    8.0

    50

    DN25

    1’

    25

    19.0

    63

    DN32

    1-1/4’

    32

    27.5

    63

    DN40

    1-1/2’

    40

    42.0

    63

    液体、气体

    防水锤

    阀座下流向

    DN50

    2’

    50

    55.0

    80

    DN65

    2-1/2’

    65

    90

    100

    DN80

    3

    80

    100

    DN100

    4

    100

    125


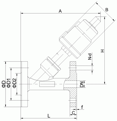
    法兰气动角座阀外形结构图:
                                               

    法兰气动角座阀连接尺寸:

    口径

    英寸

    法兰气动角座阀

    重量

    L

    D

    D1

    D2

    A

    B

    H

    C

    f

    N-d

    DN10

    3/8’

    2.01

    DN15

    1/2’

    120

    95

    65

    40

    180

    64

    137

    14

    2

    4-14

    2.10

    DN20

    3/4’

    130

    105

    75

    50

    185

    64

    145

    14

    2

    4-14

    2.35

    DN25

    1’

    140

    115

    85

    60

    210

    80

    173

    14

    2

    4-14

    3.5

    DN32

    1-1/4’

    150

    135

    100

    70

    240

    80

    210

    16

    2

    4-18

    5.5

    DN40

    1-1/2’

    180

    145

    110

    80

    245

    80

    260

    16

    2

    4-18

    7.1

    DN50

    2’

    195

    160

    125

    92

    295

    100

    300

    16

    2

    4-18

    11.75

    DN65

    2-1/2

    230

    185

    145

    115

    320

    126

    315

    18

    2

    4-18

    14.1

    DN80

    3

    250

    195

    160

    130

    330

    126

    330

    18

    2

    8-18

    20.25

    DN100

    4

    280

    215

    180

    150

    350

    156

    350

    18

    2

    8-18

    22.35


    提示:本文中所有文字、数据、图片均只适用于参考,需要了解更详细的【法兰气动角座阀】参数、选型、价格等请联系我们,我们将竭诚为您服务!