- 加拿大28
- 电话:021-51875578
- 传真:021-57443237
- 手机:13916747333
- 邮箱:a15566@126.com
- 地址:奉贤区工业综合开发区942号
当前位置:首页 >> 闸阀
>> 弹性座封闸阀 >> 附开度指示弹性座封闸阀 | 附开度指示弹性座封闸阀 |
![]() |
产品名称: | 附开度指示弹性座封闸阀 | |||||
| 型号: | RVHI、Z45X | ||||||
| 口径: | DN40-1000 | ||||||
| 压力: | 1.0-2.5MPa | ||||||
| 材质: | 铸铁、球铁、铸钢、不锈钢 | ||||||
|
|||||||
| 您正在浏览:【附开度指示弹性座封闸阀】 | |||||||
附开度指示弹性座封闸阀详细介绍
附开度指示弹性座封闸阀产品概述:
2、阀体阀盖内外涂装无毒性环氧树脂,其厚度不低于5mm,在使用中不开裂,不脱落。
3、阀板表面全包覆橡胶,橡胶与骨芯架结合牢固,不易脱落,弹性优良。
4、阀杆与阀盖之间上密封采用三道O型橡胶密封圈,阀杆转动轻便,密封可靠且使用寿命长。
5、阀体采用精密铸造工艺,与阀板精确吻合,密封性能好、互换性能好。
6、阀门零部件表面和内件材料均不受水腐蚀,可直接用于生活饮用水系统。

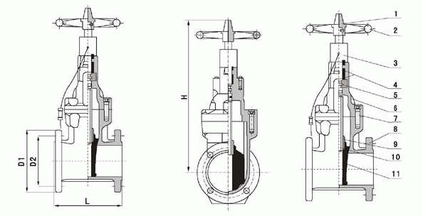
附开度指示弹性座封闸阀主要零件材料:
序号 |
名 称 |
材 质 |
1 |
阀 体 |
灰铸铁、球墨铸铁、铸钢 |
2 |
闸 板 |
球墨铸铁、外覆三元乙丙或丁腈橡胶 |
3 |
内六角螺栓 |
碳化处理 |
4 |
密封圈 |
丁腈橡胶、三元乙丙 |
5 |
阀 盖 |
灰铸铁、球墨铸铁、铸钢 |
6 |
阀 杆 |
2Cr13、不锈钢 |
7 |
“O”形密封圈 |
丁睛橡胶、三元乙丙 |
8 |
止推轴承 |
锡青钢 |
9 |
螺 栓 |
不锈钢 |
10 |
压 盖 |
球墨铸铁、铸钢 |
11 |
防尘罩 |
丁腈橡胶 |
12 |
手轮(传动帽) |
铸铁 |

附开度指示弹性座封闸阀连接尺寸:
公称通径 |
L |
D1 |
D2 |
D3 |
H |
B |
f |
n-Φd |
|||
mm |
inch |
1.0MPa |
1.6MPa |
1.0MPa |
1.6MPa |
||||||
40 |
1 1/2″ |
165 |
88 |
110 |
150 |
310 |
18 |
3 |
4-Φ18 |
||
50 |
2″ |
178 |
102 |
125 |
165 |
340 |
20 |
3 |
4-Φ18 |
||
65 |
2 1/2″ |
190 |
122 |
145 |
185 |
370 |
20 |
3 |
4-Φ18 |
||
80 |
3″ |
203 |
133 |
160 |
200 |
410 |
22 |
3 |
8-Φ18 |
||
100 |
4″ |
229 |
158 |
180 |
220 |
450 |
24 |
3 |
8-Φ18 |
||
125 |
5″ |
254 |
184 |
210 |
250 |
480 |
26 |
3 |
8-Φ18 |
||
150 |
6″ |
267 |
212 |
240 |
285 |
550 |
26 |
3 |
8-Φ23 |
||
200 |
8″ |
292 |
268 |
295 |
340 |
630 |
30 |
3 |
8-Φ23 |
12-Φ23 |
|
250 |
10″ |
330 |
320 |
350 |
355 |
405 |
750 |
32 |
3 |
12-Φ23 |
12-Φ27 |
300 |
12″ |
356 |
370 |
400 |
410 |
460 |
820 |
32 |
4 |
12-Φ23 |
12-Φ27 |
350 |
14″ |
381 |
430 |
460 |
470 |
520 |
980 |
36 |
4 |
16-Φ23 |
16-Φ27 |
400 |
16″ |
406 |
482 |
515 |
525 |
580 |
1010 |
38 |
4 |
16-Φ27 |
16-Φ31 |
450 |
18″ |
432 |
532 |
565 |
585 |
640 |
1195 |
40 |
4 |
20-Φ27 |
20-Φ31 |
500 |
20″ |
457 |
585 |
620 |
650 |
715 |
1270 |
42 |
4 |
20-Φ27 |
20-Φ34 |
600 |
24″ |
508 |
685 |
725 |
770 |
840 |
1390 |
48 |
5 |
20-Φ31 |
20-Φ37 |
700 |
28″ |
610 |
800 |
840 |
|
895 |
1550 |
40 |
5 |
24-Φ31 |
|
800 |
32″ |
660 |
905 |
950 |
|
1015 |
1750 |
44 |
5 |
24-Φ34 |
|
900 |
36″ |
711 |
1005 |
1050 |
|
1115 |
1950 |
46 |
5 |
28-Φ34 |
|
1000 |
40″ |
811 |
1110 |
1160 |
|
1230 |
2170 |
50 |
5 |
28-Φ38 |
|



















