• 加拿大28
  • 电话:021-51875578
  • 传真:021-57443237
  • 手机:13916747333
  • 邮箱:a15566@126.com
  • 地址:奉贤区工业综合开发区942号
当前位置:首页 >> 卫生级阀门 >> 卫生级蝶阀 >> 卫生级一端法兰一端螺纹蝶阀
更新时间 2025-12-4 21:11:13


卫生级蝶阀
    卫生级一端法兰一端螺纹蝶阀
    卫生级一端法兰一端螺纹蝶阀   产品名称: 卫生级一端法兰一端螺纹蝶阀
    型号:WD41F
    口径:DN25-150
    压力:1.6-6.4MPa
    材质:不锈钢

    良大优势:

    1、质量稳定:实行全过程质量监控
    细心把关,全方位检测!
    2、价格合理:高效率的成本控制
    减少开支,让利于客户!
    3、交货快捷:充足的库存,便捷的物流
    严格按照合同期交货!

    订货须知:

    请您尽量提供详细参数
    ①名称 ②型号 ③口径 ④压力 ⑤材质
    ⑥连接 ⑦传动 ⑧温度 ⑨介质 ⑩附件

    良大服务:

    提供全套流体控制解决方案,良大阀门
    售前、售中、售后专业服务。
    您正在浏览:【卫生级一端法兰一端螺纹蝶阀

       卫生级一端法兰一端螺纹蝶阀详细介绍


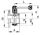
    卫生级一端法兰一端螺纹蝶阀结构尺寸:

    法兰式标准可根据客户要求.  其它标准螺纹(G)请参照其它款式蝶阀图

    Size A OF G L H
    DN25 80.0 115.0 RD52×1/8 126.0 80.0
    DN32 88.0 135.0 RD58×1/8 126.0 80.0
    DN40 92.0 145.0 RD65×1/8 126.0 86.0
    DN50 94.0 160.0 RD78×1/8 133.0 106.0
    DN55 104.0 160.0 RD95×1/8 144.0 115.0
    DN80 110.0 195.0 RD110×1/4 160.0 122.0
    DN100 130.0 215.0 RD130×1/4 160.0 132.0
    DN125 154.0 245.0 RD160×1/4 220.0 147.0
    DN150 174.0 280.0 RD190×1/4 220.0 162.0
    提示:本文中所有文字、数据、图片均只适用于参考,需要了解更详细的【卫生级一端法兰一端螺纹蝶阀】参数、选型、价格等请联系我们,我们将竭诚为您服务!