- 加拿大28
- 电话:021-51875578
- 传真:021-57443237
- 手机:13916747333
- 邮箱:a15566@126.com
- 地址:奉贤区工业综合开发区942号
当前位置:首页 >> 过滤器
>> 锥形过滤器 >> 法兰平顶锥形过滤器 更新时间 2025-12-4 21:24:03
锥形过滤器
| 法兰平顶锥形过滤器 |
![]() |
产品名称: | 法兰平顶锥形过滤器 | |||||
| 型号: | SC24S | ||||||
| 口径: | DN20-600 | ||||||
| 压力: | 0.6-6.4MPa | ||||||
| 材质: | 铸钢、不锈钢等 | ||||||
|
|||||||
| 您正在浏览:【法兰平顶锥形过滤器】 | |||||||
法兰平顶锥形过滤器详细介绍
法兰平顶锥形过滤器产品概述:
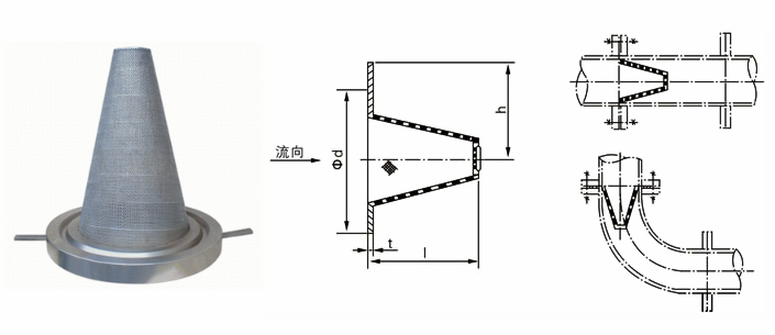
法兰平顶锥形过滤器是一种采用HG/T 21637-1991化工管道过滤器标准设计和制造,安装在泵、压缩机的入口或流量仪表前的管道上,用于临时过滤化工、石油化工、轻工等生产中的液体及气体物料所含的固体杂质,以保护此类设备或仪表的管道过滤器。其由滤框和滤网等构成,滤框由不锈钢或双相钢冷轧钢板冲制成具有分布均匀孔径的孔板,并卷成外形为圆锥台形状,上端焊接有法兰或带耳板的法兰环,下端用圆形冲孔板封底,内壁碰焊固定有一定规格的金属编织丝网,而且滤网目数的选择主要考虑能满足工艺过程的需要或对泵、压缩机等流体输送机械能起到保护作用的目的。
法兰平顶锥形过滤器产品作用:
法兰平顶锥形过滤器多作为管路系统竣工前试压、清洗使用,具有结构简单,体积小,重量轻,拆装清洗方便等特点,既可设置在直管段,又可在90°弯头处安装,但需要配置可拆卸的短管。
法兰平顶锥形过滤器性能规范:

法兰平顶锥形过滤器零件材料:

法兰平顶锥形过滤器外形结构图:

法兰平顶锥形过滤器外形尺寸表:



法兰平顶锥形过滤器订货参数:
尊敬的客户!如果您需要订购我公司法兰平顶锥形过滤器产品,咨询时请说明产品类型,公称尺寸、公称压力、滤芯材质、过滤精度、法兰执行标准,是否配对法兰、螺栓螺母及垫片等。本产品以30目/英寸的不锈钢丝网作为标准滤网,而且滤框、滤网统一用不锈钢材料制作,因此,当工艺过程对滤框、滤网材料或者对允许通过的固体粒度有特殊要求时,可以选用其他材料或根据工况另选其他规格的金属丝网。
提示:本文中所有文字、数据、图片均只适用于参考,需要了解更详细的【法兰平顶锥形过滤器】参数、选型、价格等请联系我们,我们将竭诚为您服务!



















