- 加拿大28
- 电话:021-51875578
- 传真:021-57443237
- 手机:13916747333
- 邮箱:a15566@126.com
- 地址:奉贤区工业综合开发区942号
当前位置:首页 >> 蝶阀
>> 衬氟蝶阀 >> 对夹式衬氟蝶阀 更新时间 2025-12-4 21:20:46
衬氟蝶阀
| 对夹式衬氟蝶阀 |
![]() |
产品名称: | 对夹式衬氟蝶阀 | |||||
| 型号: | D71F46 | ||||||
| 口径: | DN40-1200 | ||||||
| 压力: | 0.6-6.4MPa | ||||||
| 材质: | 铸铁、铸钢、不锈钢等 | ||||||
|
|||||||
| 您正在浏览:【对夹式衬氟蝶阀】 | |||||||
对夹式衬氟蝶阀详细介绍
对夹式衬氟蝶阀产品概述:
对夹式衬氟蝶阀结构为中线密封式,阀杆与蝶板融为一体,蝶板旋转90°,即可实现阀门的启闭过程。中线密封蝶阀为整个蝶板与阀座在360°圆周内同心,具有双向密封性能,压力、流量可自由调节。蝶阀体积小、重量轻、结构紧凑,与同参数闸阀相比,重量减轻约35~60%。蝶阀可承受相应衬里材料的介质腐蚀,采用四极密封结构,并在密封面处配以特殊橡胶的弹性衬垫,密封性能好。轴端、蝶板圆周连接处采用特殊凹槽与特殊O型圈组合密封,防止介质外泄,达到了零泄漏。可配置气动、电动、液动等多种驱动装置,实现远距离控制和自动化操作。产品广泛适用于各种不同类型工业管道中液体和气体的输送,特别是具有严重腐蚀性介质的使用场合如硫酸、氢氟酸、磷、酸、氯气、强碱,王水等。
对夹式衬氟蝶阀产品优点:
对夹式衬氟蝶阀零件材料:1、设计新颖、合理、结构独特,重量轻,启闭迅速。
2、操力矩小,操作方便,省力灵巧。
3、可以任何位置安装,维修方便。
4、密封件可以更换,密封性能可靠达到双向密封零泄漏。
5、密封材料耐老化、耐腐蚀,使用寿命长等特点。
| 零件名称 | 材料 |
| 上下阀体 | 铸铁、铸钢、不锈钢、衬F46、F3 |
| 阀座 | 铸钢、不锈钢、衬F46、F3 |
| 带杆蝶板 | 铸钢、不锈钢、衬F46、F3 |
| 填料 | F4 |
| 衬垫 | 硅橡胶 |
| 手柄/蜗轮 | 球墨铸铁 |
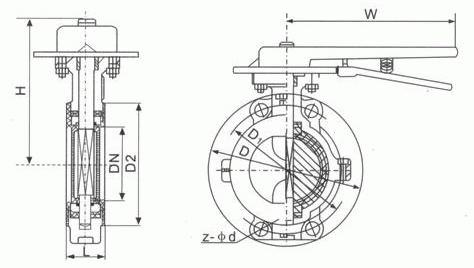
对夹式衬氟蝶阀外形结构图:

对夹式衬氟蝶阀连接尺寸:
| 公称通经 | L | D | D1 | D2 | f | b | Z-φd | |
| DN(mm) | NPS(inch) | PN1.0MPa | ||||||
| 40 | 3/2 | 33 | 145 | 110 | 85 | 3 | 18 | 4-φ18 |
| 50 | 2 | 43 | 160 | 125 | 100 | 3 | 20 | 4-φ18 |
| 65 | 5/2 | 46 | 180 | 145 | 120 | 3 | 20 | 4-φ18 |
| 80 | 3 | 49 | 195 | 160 | 135 | 3 | 22 | 4-φ18 |
| 100 | 4 | 56 | 215 | 180 | 155 | 3 | 22 | 8-φ16 |
| 125 | 5 | 64 | 245 | 210 | 185 | 3 | 24 | 8-φ18 |
| 150 | 6 | 70 | 280 | 240 | 210 | 3 | 24 | 8-φ23 |
| 200 | 8 | 71 | 335 | 295 | 265 | 3 | 26 | 8-φ23 |
| 250 | 10 | 76 | 390 | 350 | 320 | 3 | 28 | 12-φ23 |
| 300 | 12 | 83 | 440 | 400 | 368 | 4 | 28 | 12-φ23 |
| 350 | 14 | 92 | 500 | 460 | 428 | 4 | 30 | 16-φ23 |
| 400 | 16 | 102 | 565 | 515 | 482 | 4 | 32 | 16-φ25 |
| 450 | 18 | 114 | 615 | 565 | 532 | 4 | 32 | 20-φ25 |
| 500 | 20 | 127 | 670 | 620 | 585 | 4 | 34 | 20-φ25 |
| 600 | 24 | 154 | 780 | 725 | 685 | 5 | 36 | 20-φ30 |
| 700 | 28 | 165 | 895 | 840 | 800 | 5 | 40 | 24-φ30 |
| 800 | 32 | 190 | 1010 | 950 | 905 | 5 | 44 | 24-φ34 |
| 900 | 36 | 203 | 1110 | 1050 | 1005 | 5 | 46 | 28-φ34 |
| 1000 | 40 | 216 | 1220 | 1160 | 1115 | 5 | 50 | 28-φ34 |
| 1200 | 48 | 254 | 1450 | 1380 | 1325 | 5 | 56 | 32-φ41 |
| PN1.6MPa | ||||||||
| 40 | 3/2 | 33 | 145 | 110 | 85 | 3 | 18 | 4-φ18 |
| 50 | 2 | 43 | 160 | 125 | 100 | 3 | 20 | 4-φ18 |
| 65 | 5/2 | 46 | 180 | 145 | 120 | 3 | 20 | 4-φ18 |
| 80 | 3 | 49 | 195 | 160 | 135 | 3 | 22 | 8-φ18 |
| 100 | 4 | 56 | 215 | 180 | 155 | 3 | 24 | 8-φ18 |
| 125 | 5 | 64 | 245 | 210 | 185 | 3 | 26 | 8-φ18 |
| 150 | 6 | 70 | 280 | 240 | 210 | 3 | 28 | 8-φ23 |
| 200 | 8 | 71 | 335 | 295 | 265 | 3 | 30 | 12-φ23 |
| 250 | 10 | 76 | 405 | 355 | 320 | 3 | 32 | 12-φ25 |
| 300 | 12 | 83 | 460 | 410 | 375 | 4 | 34 | 12-φ25 |
| 350 | 14 | 92 | 520 | 470 | 435 | 4 | 38 | 16-φ25 |
| 400 | 16 | 102 | 580 | 525 | 485 | 4 | 40 | 16-φ30 |
| 450 | 18 | 114 | 640 | 585 | 545 | 4 | 44 | 20-φ30 |
| 500 | 20 | 127 | 705 | 650 | 608 | 4 | 46 | 20-φ34 |
| 600 | 24 | 154 | 840 | 770 | 718 | 5 | 54 | 20-φ41 |
| 700 | 28 | 165 | 910 | 840 | 788 | 5 | 54 | 24-φ41 |
| 800 | 32 | 190 | 1020 | 950 | 898 | 5 | 54 | 24-φ41 |
| 900 | 36 | 203 | 1120 | 1050 | 998 | 5 | 54 | 28-φ41 |
| 1000 | 40 | 216 | 1255 | 1170 | 1110 | 5 | 60 | 28-φ48 |
提示:本文中所有文字、数据、图片均只适用于参考,需要了解更详细的【对夹式衬氟蝶阀】参数、选型、价格等请联系我们,我们将竭诚为您服务!



















