- 加拿大28
- 电话:021-51875578
- 传真:021-57443237
- 手机:13916747333
- 邮箱:a15566@126.com
- 地址:奉贤区工业综合开发区942号
当前位置:首页 >> 塑料阀门
>> 两位三通阀 >> 塑料反冲洗控制阀 更新时间 2025-12-4 21:20:30
两位三通阀
| 塑料反冲洗控制阀 |
![]() |
产品名称: | 塑料反冲洗控制阀 | |||||
| 型号: | DLBF | ||||||
| 口径: | DN15-100 | ||||||
| 压力: | 0.6-1.6MPa | ||||||
| 材质: | PVC、铸铁 | ||||||
|
|||||||
| 您正在浏览:【塑料反冲洗控制阀】 | |||||||
塑料反冲洗控制阀详细介绍
塑料反冲洗控制阀产品概述:
反冲洗控制阀为三通两腔水力驱动隔膜式控制阀,低压密封,流向切换平稳。可以和砂石过滤缸或叠片过滤器共同组成自动反冲洗过滤系统,也可以在供水系统中用来改变水流流向。控制阀有两个控制腔,通过改变弹簧的装配方向可以变形为角式流向和直通流向两种阀可供选择。并且独特的形腔设计保证能通过超大流量的水流。
塑料反冲洗控制阀工作原理:
外界压力使控制腔压力升高,隔膜驱动的阀芯组件移向入水口阀座,使其密封严实,此时过滤器接口的水流过排水口阀座,进行排污。控制腔的水排出后,系统压力和弹簧弹力使阀门恢复到过滤模式。
塑料反冲洗控制阀产品特点:
1、水力驱动隔膜式控制阀。
2、独特塑料阀芯组件设计,密封性强,抗腐蚀性强。
3、阀门行程短,流向改变平稳顺畅,避免清水污水混合。
4、阀体工程塑料材质设计,耐腐蚀、耐酸碱,使用寿命长。
5、驱动装置可独立拆卸,可以方便地进行在线检查和维护。
6、采用双腔设计,低压驱动有效保护隔膜。
7、双腔设计可以有角式流向和直通流向两种选择,方便多种方向安装。
8、独特形腔设计,保证大流量水流。
9、直通流向控制阀的排污口内螺纹可以加装转换接头。
10、从4“转变成3”或从3”转变成2”满足排污口小流量的要求。
塑料反冲洗控制阀产品实物图:

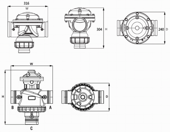
塑料反冲洗控制阀外形结构图:

塑料反冲洗控制阀连接尺寸:

提示:本文中所有文字、数据、图片均只适用于参考,需要了解更详细的【塑料反冲洗控制阀】参数、选型、价格等请联系我们,我们将竭诚为您服务!



















