• 加拿大28
  • 电话:021-51875578
  • 传真:021-57443237
  • 手机:13916747333
  • 邮箱:a15566@126.com
  • 地址:奉贤区工业综合开发区942号
当前位置:首页 >> 塑料阀门 >> 塑料隔膜阀 >> 法兰式塑料隔膜阀
更新时间 2025-12-4 21:15:16


塑料隔膜阀
    法兰式塑料隔膜阀
    法兰式塑料隔膜阀   产品名称: 法兰式塑料隔膜阀
    型号:G41F-16S
    口径:DN15-200
    压力:1.0-1.6MPa
    材质:RPP/PPH/UPVC/CPVC/PVDF

    良大优势:

    1、质量稳定:实行全过程质量监控
    细心把关,全方位检测!
    2、价格合理:高效率的成本控制
    减少开支,让利于客户!
    3、交货快捷:充足的库存,便捷的物流
    严格按照合同期交货!

    订货须知:

    请您尽量提供详细参数
    ①名称 ②型号 ③口径 ④压力 ⑤材质
    ⑥连接 ⑦传动 ⑧温度 ⑨介质 ⑩附件

    良大服务:

    提供全套流体控制解决方案,良大阀门
    售前、售中、售后专业服务。
    您正在浏览:【法兰式塑料隔膜阀

       法兰式塑料隔膜阀详细介绍


    G41F-16S法兰式塑料隔膜阀概述:

    法兰式塑料隔膜阀是一种特殊形式的截断阀。塑料隔膜阀与其它阀门最大的区别在于:采用无填料函的构造;橡胶隔膜可使流道内的腐蚀性介质与所有驱动部件处于完全隔离的状态,从而杜绝了通常阀门的“跑、冒、滴、漏”等弊端。

    G41F-16S法兰式塑料隔膜阀特点:
    (1)软的橡胶隔膜阀能切断介质。
    (2)因橡胶有一定的耐蚀性,它通常又被当作耐腐蚀材料来推广应用,并延续。
    (3)流路简单,有“自洁”作用,可用于不干净介质。
    (4)适用于腐蚀介质的输送及截流、流量的调节,过流部件采用RPP或PVDF注塑件组装而成,耐腐蚀性能优良,操作方便,体量轻,能代替不锈钢阀门。
    (5)密封件膜片采用F46或PFA制造,耐折次数≥1200次,耐腐蚀性能与F4相当。
    (6)采用螺杆升降结构,启闭力矩大,平稳性好。A、阀瓣开启,流体进入阀体,流阻小。 B、阀瓣向下缓闭,膜片向下开始变形,手轮旋转力矩小。
    C、阀门关闭,无泄漏,膜片与阀座抵触后不必用力拧紧。

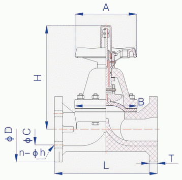
    G41F-16S法兰式塑料隔膜阀外形结构图:


    G41F-16S法兰式塑料隔膜阀连接尺寸:

    公称通径

    A

    B

    ΦC

    ΦD

    T

    L

    H

    n-Φh

    15

    75

    75

    65

    95

    16

    130

    125

    4-Φ14

    20

    75

    85

    75

    105

    18

    150

    140

    4-Φ14

    25

    90

    90

    85

    115

    18

    160

    150

    4-Φ14

    32

    125

    128

    100

    150

    20

    200

    210

    4-Φ18

    40

    125

    128

    110

    150

    20

    200

    210

    4-Φ18

    50

    150

    148

    125

    165

    23

    230

    230

    4-Φ18

    65

    180

    185

    145

    185

    23

    290

    290

    4-Φ18

    80

    210

    210

    160

    200

    25

    310

    325

    8-Φ18

    100

    260

    255

    180

    220

    25

    350

    400

    8-Φ18

    125

    310

    280

    210

    250

    21

    398

    420

    8-Φ18

    150

    340

    295

    240

    285

    33

    570

    470

    8-Φ22

    单位为毫米(mm)


    G41F-16S法兰式塑料隔膜阀安装维护说明:
    1、安装前应仔细核对管路的运行条件是否与本阀规定的使用范围相符,并应清洗内腔,以防止污物卡阻或损伤密封部件。
    2、衬里层和橡胶隔膜表面切勿涂刷油脂类物品,以防橡胶溶胀,影响隔膜阀使用寿命。
    3、手轮、手柄及传动机构均不允许作起吊用并严禁碰撞。
    4、操作隔膜阀时,不得借助于辅助杠杆,以防扭力过大而损伤驱动部件或密封部位。
    5、阀应存放在干燥通风的室内,严禁堆放,库存隔膜阀的两端通道必须封口,且启闭件应处于微开启状态。

    提示:本文中所有文字、数据、图片均只适用于参考,需要了解更详细的【法兰式塑料隔膜阀】参数、选型、价格等请联系我们,我们将竭诚为您服务!