- 加拿大28
- 电话:021-51875578
- 传真:021-57443237
- 手机:13916747333
- 邮箱:a15566@126.com
- 地址:奉贤区工业综合开发区942号
当前位置:首页 >> 球阀
>> Y型球阀 >> 蜗轮Y型三通球阀 更新时间 2025-12-4 21:25:47
Y型球阀
| 蜗轮Y型三通球阀 |
![]() |
产品名称: | 蜗轮Y型三通球阀 | |||||
| 型号: | Q342F/H/Y | ||||||
| 口径: | DN50-400 | ||||||
| 压力: | 1.0-6.4MPa | ||||||
| 材质: | 铸钢、不锈钢等 | ||||||
|
|||||||
| 您正在浏览:【蜗轮Y型三通球阀】 | |||||||
蜗轮Y型三通球阀详细介绍
蜗轮Y型三通球阀产品概述:
蜗轮Y型三通球阀由135度或120度Y型三通球阀和蜗轮驱动装置组成,它通过人力转动蜗轮上的手轮即可在阀杆上端施加一定的扭矩并传递给球体,从而改变介质流通的方向,实现对两种不同流向的切换。该阀阀体三个管口的流体通道之间被设计成互成120°或一进一出两通道间成135°夹角,球体与阀杆为一体结构,球体中有两个成120°或135°角并通过球中心点的通孔,这二个通孔的端口(球体端口)与阀体上的管口对应,并随着球体在120°或135°之间的转动实现进口与任意出口导通或关闭。
蜗轮Y型三通球阀为一进两出设计,其流体通道的三个开口设有阀座,阀座的通孔构成管口,阀座朝向球体的一端与球芯的外周面之间设有压紧块,压紧块朝向球体的侧面具有与球芯外周面的弧面配合的抵接面,压紧块的另一侧与阀座之间设有内密封结构。该阀具有结构简单,密封可靠,耐磨性强,使用寿命长,流体流动阻力小,换向省力及动作可靠等特点,特别适合用于输送含固体颗粒介质的系统。本产品采用Y形结构设计,减缓了流体冲进球腔内的流动速度,以防止颗粒状物料受到损坏。

蜗轮Y型三通球阀零件材料:

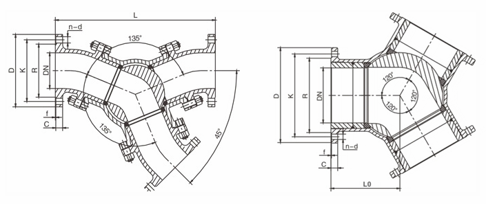
蜗轮Y型三通球阀外形结构图:

蜗轮Y型三通球阀外形尺寸表:

蜗轮Y型三通球阀订货参数:
尊敬的客户!如果您需要订购我公司蜗轮Y型三通球阀产品,咨询时请注明产品型号,如无法提供型号数据,请说明公称通径、公称压力、法兰标准、阀体材质、内件材质、使用介质及介质温度等。本产品安装前管道内一定要吹扫,防止管道内残留有焊渣、切削渣等,以免损伤阀座。
提示:本文中所有文字、数据、图片均只适用于参考,需要了解更详细的【蜗轮Y型三通球阀】参数、选型、价格等请联系我们,我们将竭诚为您服务!



















