快速排污阀详细介绍
快速排污阀产品概述:
快速排污阀是由闸阀演变而来的,利用齿轮旋转90度带动阀杆提升实现开启和关闭的目的。力矩小,操作简便,易实现快速启闭。快速排污阀不仅结构简单、密封性好,而且体积小、重量轻、材料耗用少、安装尺寸小,驱动力矩小。快速排污阀高压锅炉的定期排污,可以五个通道同时排污,也可以一个通道排污,也有自动排气阀功能。
快速排污阀产品优点:
1、阀体与阀盖采用夹箍式连接,结构紧凑,拆卸方便,便于安装,支管为焊接连接。
2、采用压力自紧式密封结构,密封圈由成型的石棉盘根制成,介质压力越高、密封性越好。
3、介质由支管流入向下排污。
4、阀瓣为活塞式结构,并进行渗硼处理。耐腐蚀、抗冲蚀、使用寿命长。
快速排污阀性能规范:
| 型 号 |
公称压力 |
试验压力Ps(MPa) |
适用介质 |
适用介质(℃) |
| P44H-16C |
1.6 |
2.4 |
1.8 |
水、蒸汽 |
≤250 |
| P44H-16C |
|
|
|
|
|
| P44H-25C |
2.5 |
3.8 |
2.8 |
|
|
| P44H-25C |
|
|
|
|
≤425 |
| P44H-40C |
4.0 |
6.0 |
4.4 |
|
|
| P44H-40C |
|
|
|
|
≤250 |
快速排污阀零件材料:
| 零件名称 |
阀体、阀盖 |
阀座、闸板 |
阀 杆 |
齿轮轴 |
填 料 |
垫 片 |
扳 手 |
| P44H-16C P44H-25 P44H-40 |
铸钢 |
铬不锈钢 |
铬不锈钢 |
铬不锈钢 |
油浸石墨 石棉盘根 |
橡胶石 棉板 |
球墨铸铁 |
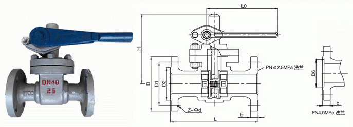
快速排污阀外形结构图:

快速排污阀连接尺寸:
| 公称压力 PN(MPa) |
公称通径 DN(mm) |
|
重量(kg) |
| L |
D |
D1 |
D2 |
D6 |
b |
ZΦd |
H |
LO |
|
| 1.6 |
25 |
160 |
115 |
85 |
65 |
- |
14 |
4-Φ14 |
160 |
180 |
10 |
| 32 |
200 |
135 |
100 |
78 |
- |
16 |
4-Φ18 |
180 |
200 |
11 |
| 40 |
230 |
145 |
110 |
85 |
- |
16 |
4-Φ18 |
220 |
220 |
16 |
| 50 |
250 |
160 |
125 |
100 |
- |
16 |
4-Φ18 |
230 |
240 |
20 |
| 65 |
265 |
180 |
145 |
120 |
- |
18 |
4-Φ18 |
250 |
280 |
28 |
| 80 |
280 |
195 |
160 |
135 |
- |
20 |
8-Φ18 |
280 |
350 |
38 |
| 2.5 |
25 |
160 |
115 |
85 |
65 |
- |
16 |
4-Φ14 |
160 |
180 |
10 |
| 32 |
200 |
135 |
100 |
78 |
- |
18 |
4-Φ18 |
180 |
200 |
11 |
| 40 |
200 |
145 |
110 |
85 |
|
18 |
4-Φ18 |
220 |
220 |
16 |
| 50 |
250 |
160 |
125 |
100 |
- |
20 |
4-Φ18 |
230 |
240 |
20 |
| 65 |
265 |
180 |
145 |
120 |
- |
22 |
8-Φ18 |
250 |
280 |
28 |
| 80 |
280 |
195 |
160 |
135 |
- |
22 |
8-Φ18 |
280 |
350 |
38 |
| 4.0 |
25 |
160 |
115 |
85 |
65 |
58 |
16 |
4-Φ14 |
160 |
180 |
10 |
| 32 |
180 |
135 |
100 |
78 |
66 |
18 |
4-Φ18 |
180 |
200 |
11 |
| 40 |
230 |
145 |
110 |
85 |
76 |
18 |
4-Φ18 |
220 |
220 |
16 |
| 50 |
250 |
160 |
125 |
100 |
88 |
20 |
4-Φ18 |
230 |
240 |
20 |
| 65 |
265 |
180 |
145 |
125 |
110 |
22 |
8-Φ18 |
250 |
280 |
28 |
| 80 |
280 |
195 |
160 |
135 |
121 |
22 |
8-Φ18 |
280 |
350 |
38 |
提示:本文中所有文字、数据、图片均只适用于参考,需要了解更详细的【快速排污阀】参数、选型、价格等请联系我们,我们将竭诚为您服务!