• 加拿大28
  • 电话:021-51875578
  • 传真:021-57443237
  • 手机:13916747333
  • 邮箱:a15566@126.com
  • 地址:奉贤区工业综合开发区942号
当前位置:首页 >> 真空阀门 >> 真空蝶阀 >> GI-A型高真空蝶阀
更新时间 2025-12-4 21:17:57


真空蝶阀
    GI-A型高真空蝶阀
    GI-A型高真空蝶阀   产品名称: GI-A型高真空蝶阀
    型号:GI-A
    口径:DN50-300
    压力:0.6×106 ~1.3×10-4
    材质:304、316、316L不锈钢

    良大优势:

    1、质量稳定:实行全过程质量监控
    细心把关,全方位检测!
    2、价格合理:高效率的成本控制
    减少开支,让利于客户!
    3、交货快捷:充足的库存,便捷的物流
    严格按照合同期交货!

    订货须知:

    请您尽量提供详细参数
    ①名称 ②型号 ③口径 ④压力 ⑤材质
    ⑥连接 ⑦传动 ⑧温度 ⑨介质 ⑩附件

    良大服务:

    提供全套流体控制解决方案,良大阀门
    售前、售中、售后专业服务。
    您正在浏览:【GI-A型高真空蝶阀

       GI-A型高真空蝶阀详细介绍


    GI-A型高真空蝶阀产品概述:

    GI-A型高真空蝶阀是用来接通或切断真空管路中的气流,阀门的阀板采用夹紧结构,把阀板的密封圈夹紧,起到更好的密封作用。阀门开闭有锁定功能、旋转平稳、密封可靠。高真空蝶阀是使用阀杆插入体内,阀板固定在阀杆上的原理,转动90度达到开关目的。适用的工作介质为空气和非腐蚀性气体。

    GI-A型高真空蝶阀技术性能:
    适用范围(Pa)
    105~1.3x10-5
    阀门漏率(Pa.L/S)
    <1.3x10-6
    介质温度(℃)
    -25~+80(密封材料为腈橡胶)
    -30~+150(密封材料为氟橡胶)
    法兰标准
    GB/T6070
    安装位置

    任意


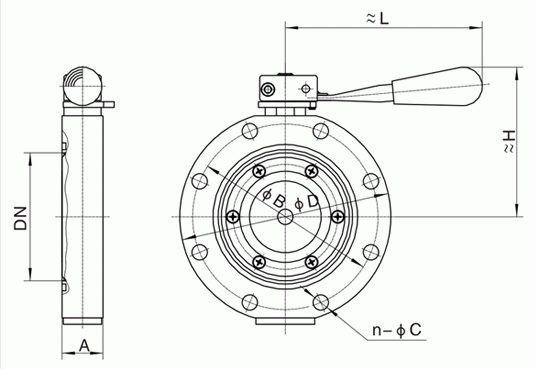
    GI-A型高真空蝶阀外形结构图:


    GI-A型高真空蝶阀连接尺寸:
    型号
    通径(DN)
    ΦD
    ΦB
    H
    A
    L
    n-ΦC
    GI-50A
    50
    110
    90
    90
    26
    116
    4-Φ9
    GI-63A
    63
    130
    110
    100
    32
    132
    GI-80A
    80
    145
    125
    110
    32
    154
    8-Φ9
    GI-100A
    100
    165
    145
    120
    32
    154
    GI-125A
    125
    200
    175
    140
    35
    197
    8-Φ11
    GI-150A
    150
    225
    200
    155
    35
    197
    GI-200A
    200
    285
    260
    190
    45
    242
    12-Φ11
    GI-250A
    250
    335
    310
    225
    50
    330
    GI-300A
    300
    425
    395
    245
    55
    330
    12-Φ14

    提示:本文中所有文字、数据、图片均只适用于参考,需要了解更详细的【GI-A型高真空蝶阀】参数、选型、价格等请联系我们,我们将竭诚为您服务!