• 加拿大28
  • 电话:021-51875578
  • 传真:021-57443237
  • 手机:13916747333
  • 邮箱:a15566@126.com
  • 地址:奉贤区工业综合开发区942号
当前位置:首页 >> 真空阀门 >> 真空蝶阀 >> GIQ-B型气动高真空蝶阀
更新时间 2025-12-4 21:18:01


真空蝶阀
    GIQ-B型气动高真空蝶阀
    GIQ-B型气动高真空蝶阀   产品名称: GIQ-B型气动高真空蝶阀
    型号:GIQ-B
    口径:DN50-400
    压力:0.6×106 ~1.3×10-4
    材质:304、316、316L不锈钢

    良大优势:

    1、质量稳定:实行全过程质量监控
    细心把关,全方位检测!
    2、价格合理:高效率的成本控制
    减少开支,让利于客户!
    3、交货快捷:充足的库存,便捷的物流
    严格按照合同期交货!

    订货须知:

    请您尽量提供详细参数
    ①名称 ②型号 ③口径 ④压力 ⑤材质
    ⑥连接 ⑦传动 ⑧温度 ⑨介质 ⑩附件

    良大服务:

    提供全套流体控制解决方案,良大阀门
    售前、售中、售后专业服务。
    您正在浏览:【GIQ-B型气动高真空蝶阀

       GIQ-B型气动高真空蝶阀详细介绍


    GIQ-B型气动高真空蝶阀产品概述:

    GIQ-B型系列气动高真空蝶阀的气动执行器是以压缩空气为动力,通过电磁换向阀改变气路方向,推动活塞齿条、齿轮的机械运动,以角行程输出扭矩来驱动蝶阀,作启闭运动。从而达到接通或切断真空管路中气流的目的,是目前一种新型的气动执行器控制的气动蝶阀,分为双作用和单作用(弹簧复位)气缸。可选配反馈信号装置及电气阀门定位器。适用的工作介质为空气和非腐蚀性气体。

    GIQ-B型气动高真空蝶阀技术性能:
    适用范围(Pa)
    105~1.3x10-5
    阀门漏率(Pa.L/S)
    ≤1.3x10-6
    介质温度(℃)

    -25~+80(密封材料为丁腈橡胶)
    -30~+150(密封材料为氟橡胶) 

    气源压力(MPa)
    0.4~0.6
    法兰标准
    JB919
    安装位置
    任意
    控制电路

    标准出厂:AC220V/50Hz开关型
    特殊指定:AC110V;DC24V;DC12V等 

    信号反馈
    标准出厂:带无源触点型
    特殊指定:4~20mA DC调节型
    气缸可选
    标准出厂:双作用式
    特殊指定:单作用式(有弹簧返回)
    可选常开或常闭 

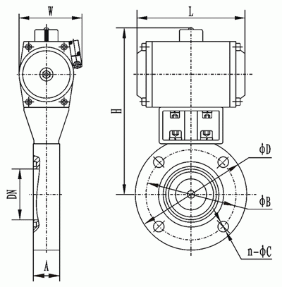
    GIQ-B型气动高真空蝶阀外形结构图:


    GIQ-B型气动高真空蝶阀连接尺寸:
    型号
    通径(DN)
    ΦD
    ΦB
    H
    A
    L
    W
    n-ΦC
    GIQ-50B
    50
    110
    90
    205
    22
    164
    105
    4-Φ9
    GIQ-63B
    63
    130
    110
    218
    26
     
    GIQ-80B
    80
    145
    125
    248
    30
    190
    124
    GIQ-100B
    100
    170
    145
    260
    4-Φ12
    GIQ-125B
    125
    195
    175
    273
    35
    GIQ-150B
    150
    220
    195
    332
    247
    140
    8-Φ12
    GIQ-200B
    200
    275
    250
    386
    40
    302
    165
    GIQ-250B
    250
    330
    300
    466
    45
    372
    198
    GIQ-300B
    300
    380
    350
    535
    55
    432
    225
    8-Φ14
    GIQ-400B
    400
    465
    465
    631
    60
    518
    243
    8-Φ18

    提示:本文中所有文字、数据、图片均只适用于参考,需要了解更详细的【GIQ-B型气动高真空蝶阀】参数、选型、价格等请联系我们,我们将竭诚为您服务!