• 加拿大28
  • 电话:021-51875578
  • 传真:021-57443237
  • 手机:13916747333
  • 邮箱:a15566@126.com
  • 地址:奉贤区工业综合开发区942号
当前位置:首页 >> 电动阀门 >> 电动蝶阀 >> 电动高真空蝶阀
更新时间 2025-12-4 21:18:05


电动蝶阀
    电动高真空蝶阀
    电动高真空蝶阀   产品名称: 电动高真空蝶阀
    型号:GID
    口径:DN40-600
    压力:0.6×106 ~1.3×10-4
    材质:304、316、316L不锈钢

    良大优势:

    1、质量稳定:实行全过程质量监控
    细心把关,全方位检测!
    2、价格合理:高效率的成本控制
    减少开支,让利于客户!
    3、交货快捷:充足的库存,便捷的物流
    严格按照合同期交货!

    订货须知:

    请您尽量提供详细参数
    ①名称 ②型号 ③口径 ④压力 ⑤材质
    ⑥连接 ⑦传动 ⑧温度 ⑨介质 ⑩附件

    良大服务:

    提供全套流体控制解决方案,良大阀门
    售前、售中、售后专业服务。
    您正在浏览:【电动高真空蝶阀

       电动高真空蝶阀详细介绍


    电动高真空蝶阀产品概述:

    电动高真空蝶阀采用回转型电动、电子调节式阀门驱动装置,可以通过外接电源的切换(用手动转位开关或电脑控制)或外部输入信号,来实现阀门开、关或中间位置的控制,用于接通或切断真空管路中的气流。和其他相同口径真空阀门相比,具有结构简单,通导能力大,阀体厚度小,启闭速度快等优点。适用的工作介质为空气和非腐蚀性气体。

    电动高真空蝶阀技术性能:
    适用范围(Pa)
    105~1.3x10-4
    阀门漏率(Pa.L/S)
    ≤1.3x10-4
    法兰标准
    JB919
    介质温度(℃)
     -25~+80(密封材料为丁腈橡胶)
    -30~+150(密封材料为氟橡胶)
    安装位置
    任意
    控制电路
    标准出厂:AC220V/50Hz开关型
    特殊指定:AC380V;DC24V开关型
    信号反馈
    智能型
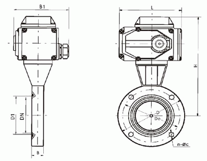
    电动高真空蝶阀外形结构图:


    电动高真空蝶阀连接尺寸:
    型号
    通径(DN)
    D
    Do
    B
    H
    L
    n-ΦC
    GID-40
    40
    85
    70
    22
    183
    157
    4-Φ7
    GID-50
    50
    110
    90
    22
    195
    157
    4-Φ7
    GID-65
    65
    105
    70
    26
    203
    157
    4-Φ9
    GID-80
    80
    145
    125
    30
    213
    157
    4-Φ9
    GID-100
    100
    170
    145
    30
    231
    157
    4-Φ12
    GID-150
    150
    220
    195
    35
    251
    157
    8-Φ12
    GID-200
    200
    275
    250
    40
    315
    207
    8-Φ12
    GID-250
    250
    330
    300
    45
    343
    207
    8-Φ14
    GID-300
    300
    380
    350
    45
    368
    207
    8-Φ14
    GID-400
    400
    500
    465
    60
    451
    256
    8-Φ18
    GID-500
    500
    600
    565
    80
    535
    280
    12-Φ21
    GID-600
    600
    710
    670
    100
    576
    280
    12-Φ21
    提示:本文中所有文字、数据、图片均只适用于参考,需要了解更详细的【电动高真空蝶阀】参数、选型、价格等请联系我们,我们将竭诚为您服务!