• 加拿大28
  • 电话:021-51875578
  • 传真:021-57443237
  • 手机:13916747333
  • 邮箱:a15566@126.com
  • 地址:奉贤区工业综合开发区942号
当前位置:首页 >> 陶瓷阀门 >> 陶瓷圆盘阀 >> 耐磨陶瓷圆盘阀
更新时间 2025-12-4 21:19:04


陶瓷圆盘阀
    耐磨陶瓷圆盘阀
    耐磨陶瓷圆盘阀   产品名称: 耐磨陶瓷圆盘阀
    型号:YP643TC
    口径:DN50-300
    压力:1.0-6.4MPa
    材质:铸钢、不锈钢

    良大优势:

    1、质量稳定:实行全过程质量监控
    细心把关,全方位检测!
    2、价格合理:高效率的成本控制
    减少开支,让利于客户!
    3、交货快捷:充足的库存,便捷的物流
    严格按照合同期交货!

    订货须知:

    请您尽量提供详细参数
    ①名称 ②型号 ③口径 ④压力 ⑤材质
    ⑥连接 ⑦传动 ⑧温度 ⑨介质 ⑩附件

    良大服务:

    提供全套流体控制解决方案,良大阀门
    售前、售中、售后专业服务。
    您正在浏览:【耐磨陶瓷圆盘阀

       耐磨陶瓷圆盘阀详细介绍


    气动耐磨陶瓷圆盘阀产品概述:

    气动耐磨陶瓷圆盘阀具有独特的结构和制造工艺,工作时执行器带动连杆和驱动臂旋转从而驱动圆盘阀瓣。整个圆盘阀瓣的密封表面在螺旋弹簧的作用下一直紧贴着密封座,弹簧可以让阀瓣垂直运动,以补偿阀体等部件的热膨胀和收缩,也用于平衡管道压力,防止小颗粒物质进入密封表面。阀门驱动臂作用力和密封座的摩擦力是阀瓣在密封表面自动旋转,从而抛光密封表面和铲掉表面堆积物。

    气动耐磨陶瓷圆盘阀应用范围:
    气动耐磨陶瓷圆盘阀广泛应用于硬颗粒、腐蚀性或结渣性介质、高温高压、动作频繁等工况。主要应用场所有:电厂中的煤粉输送、煤粉喷射、灰渣排放系统,污水、废水处理系统等:造纸业中的纸张输送、污水、废水处理系统:化工行业中催化剂输送系统:水泥制造业中的泥浆输送系统等。

    气动耐磨陶瓷圆盘阀应用规范:

    设计与制造

     GB/T 12224

     连接端尺寸
    Connection end
    dimension

    结构长度
    Structural length 

    厂商标准
    Manufacturer's standard 

     法兰尺寸
    Flange dimension

     JB/T79.1

    检验与试验     Inspection and test 

     GB/T 9092

     材料
    Material

     碳钢
    Carbon steel

     GB/T 12229

     不锈钢
    Stainless steel

     GB/T 12230

    标志      Mark

    GB/T 12220 

     供货     Supply

     GB/T 12252


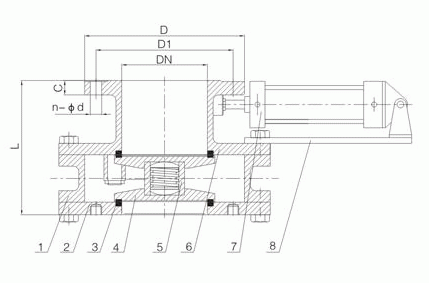
    气动耐磨陶瓷圆盘阀零件材料:

    序号

     名称

     材料

     序号

     名称

     材料

     1

     中体
    Middle body

    WCB 

     5

    托架
    Bracket 

     WCB 

     2

    法体
    Flange body 

    WCB 

     6

    阀体
    Body 

     WCB 

     3

    阀座
    Seat 

    结构陶瓷
    Structural Ceramic 

     7

     气动装置
    Pneumatic device

    成品件
    Finished pieces 

     4

    阀板
    Plate 

    WCB+结构陶瓷
    WCB of Structural Ceramic 

     8

     支架
    Blacket

    Q235 


    气动耐磨陶瓷圆盘阀外形结构图:


    气动耐磨陶瓷圆盘阀连接尺寸:

    DN

     PN(Mpa)

     L

     D

     D1

     C

     n-d

     50

     
     
     
     
     1.0
     
     
     

    210

    160 

    125 

    16 

    4-Φ18

     65

    210 

    180 

    145 

    18 

    4-Φ18

     80

    250

     195

     160

     20

     8-Φ18 

     100

    250

     215

     180

     20

     8-Φ18

     125

     265

     245

     210

     22

     8-Φ18

     150

     285

     280

     240

     24

     8-Φ23

     200

     310

     340

     295

     26

     8-Φ23

     250

     350

     405

     350

     30

     12-Φ23

     300

     350

     460

     400

     30

     12-Φ23


    提示:本文中所有文字、数据、图片均只适用于参考,需要了解更详细的【耐磨陶瓷圆盘阀】参数、选型、价格等请联系我们,我们将竭诚为您服务!