• 加拿大28
  • 电话:021-51875578
  • 传真:021-57443237
  • 手机:13916747333
  • 邮箱:a15566@126.com
  • 地址:奉贤区工业综合开发区942号
当前位置:首页 >> 真空阀门 >> 真空插板阀 >> CCD型电动超高真空插板阀
更新时间 2025-12-4 21:18:21


真空插板阀
    CCD型电动超高真空插板阀
    CCD型电动超高真空插板阀   产品名称: CCD型电动超高真空插板阀
    型号:CCD
    口径:DN50-800
    压力:0.6×106 ~1.3×10-4
    材质:铸钢、不锈钢

    良大优势:

    1、质量稳定:实行全过程质量监控
    细心把关,全方位检测!
    2、价格合理:高效率的成本控制
    减少开支,让利于客户!
    3、交货快捷:充足的库存,便捷的物流
    严格按照合同期交货!

    订货须知:

    请您尽量提供详细参数
    ①名称 ②型号 ③口径 ④压力 ⑤材质
    ⑥连接 ⑦传动 ⑧温度 ⑨介质 ⑩附件

    良大服务:

    提供全套流体控制解决方案,良大阀门
    售前、售中、售后专业服务。
    您正在浏览:【CCD型电动超高真空插板阀

       CCD型电动超高真空插板阀详细介绍


    CCD型电动超高真空插板阀产品概述:

    CCD型电动超高真空插板阀是通过电动装置驱动阀杆带动阀板作上下运动,达到阀门的开启或关闭。电动超高真空插板阀用于接通或切断真空管路中的气流。适用介质为纯净空气和非腐蚀性气体。带反馈信号装置。

    CCD型电动超高真空插板阀技术性能:
    适用范围 105~1.3×10-7Pa
    阀门漏率 ≤1.3×10-7Pa.L/S.(DN≤200) ≤6.7×10-7Pa.L/S.(DN≥250)
    适用温度 - 30~+150℃
    阀门开启时阀板两侧的压差 ≤2.7×103Pa
     电源 220V/50Hz

    CCQ型气动超高真空插板阀零件材料:
    阀体、阀板 不锈钢
    密封件 氟橡胶、波纹管(轴封)、丁腈橡胶

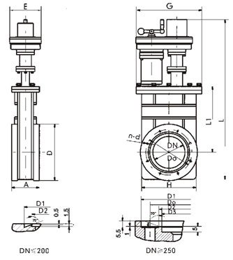
    CCD型电动超高真空插板阀外形结构图:


    CCD型电动超高真空插板阀连接尺寸:
    型号 DN A H D Do D1 D2 D3 L L1 G E n-d 法兰标准
    CCD-50 50 60 92 89 72.4 61.6 55.6   515 153 220 124 8-M8 GB6071
    CCD-63 63 65 105 114 92.1 82.6 76.6   566 180 220 124 8-M8
    CCD-80 80 65 130 130 110 99 93   603 200 220 124 16-M8
    CCD-100 100 70 152 152 130.2 120.7 114.7   653 267 220 124 16-M8
    CCD-150 150 70 202 202 181 171.5 165.5   771 350 270 150 20-M8
    CCD-200 200 80 251 253 231.8 222.3 216.6   889 424 270 150 24-M8
    CCD-250 250 85 300 314 288 308 275 271 1127 574 350 200 24-M10 JB5278
    CCD-300 300 85 352 365 338 353 323 318 1197 613 400 200 32-M10  
    CCD-320 320 85 372 385 357 379 344 340 1220 613 440 200 36-M10 JB5278
    CCD-400 400 110 456 497 454 480 440 436 1480 810 536 200 36-M12
    CCD-500 500 135 595 590 555 580 540 536 1580 870 640 220 40-M12
    CCD-630 630 135 690 700 658 680 639 635 1730 960 780 220 40-M16
    CCD-800 800 150 880 890 855 880 835 831 1960 1100 950 220 60-M16

    提示:本文中所有文字、数据、图片均只适用于参考,需要了解更详细的【CCD型电动超高真空插板阀】参数、选型、价格等请联系我们,我们将竭诚为您服务!