- 加拿大28
- 电话:021-51875578
- 传真:021-57443237
- 手机:13916747333
- 邮箱:a15566@126.com
- 地址:奉贤区工业综合开发区942号
当前位置:首页 >> 真空阀门
>> 真空挡板阀 >> GD-J型高真空挡板阀 更新时间 2025-12-4 21:18:24
真空挡板阀
| GD-J型高真空挡板阀 |
![]() |
产品名称: | GD-J型高真空挡板阀 | |||||
| 型号: | GD-J | ||||||
| 口径: | DN50-300 | ||||||
| 压力: | 0.6×106 ~1.3×10-4 | ||||||
| 材质: | 铸钢、不锈钢 | ||||||
|
|||||||
| 您正在浏览:【GD-J型高真空挡板阀】 | |||||||
GD-J型高真空挡板阀详细介绍
GD-J型高真空挡板阀产品概述:
GD-J型系列高真空挡板阀(又称角阀)是用于真空系统中用来切断或接通气流之用。传动部件采用螺杆传动升降阀板,动作轻巧、工作可靠。GD-J为角通型式,GD-S为带预抽口的三通型式。适用的工作介质为空气、非腐蚀性及不含颗粒灰尘的气体。
GD-J型高真空挡板阀技术性能:
-25~+80(密封材料为丁腈橡胶) |
|

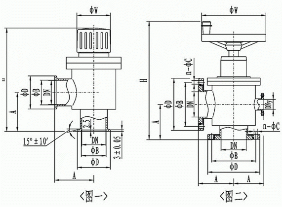
GD-J型高真空挡板阀连接尺寸:
(图一) (KF)连接及外形尺寸
提示:本文中所有文字、数据、图片均只适用于参考,需要了解更详细的【GD-J型高真空挡板阀】参数、选型、价格等请联系我们,我们将竭诚为您服务!



















