- 加拿大28
- 电话:021-51875578
- 传真:021-57443237
- 手机:13916747333
- 邮箱:a15566@126.com
- 地址:奉贤区工业综合开发区942号
当前位置:首页 >> 真空阀门
>> 真空不锈钢阀门 >> 不锈钢高真空挡板阀 更新时间 2025-12-4 21:18:26
真空不锈钢阀门
| 不锈钢高真空挡板阀 |
![]() |
产品名称: | 不锈钢高真空挡板阀 | |||||
| 型号: | GD-J(b)/KF | ||||||
| 口径: | DN10-50 | ||||||
| 压力: | 0.6×106 ~1.3×10-4 | ||||||
| 材质: | 304、316、316L不锈钢 | ||||||
|
|||||||
| 您正在浏览:【不锈钢高真空挡板阀】 | |||||||
不锈钢高真空挡板阀详细介绍
不锈钢高真空挡板阀产品概述:
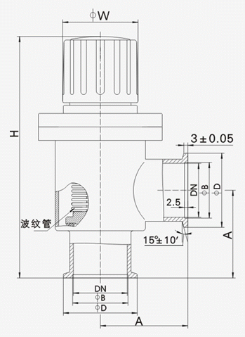
不锈钢高真空挡板阀是真空系统中开启或切断气流的真空阀门。由螺杆传动升降阀板,旋转轻巧、使用寿命长。高真空挡板阀轴封结构可分为GD-J型氟橡胶密封和GD-J(b)型波纹管密封两种。使用的工作介质氟橡胶密封为空气及非腐蚀性气体,波纹管密封为空气、水蒸气、腐蚀性气体。

不锈钢高真空挡板阀技术性能及连接尺寸:

提示:本文中所有文字、数据、图片均只适用于参考,需要了解更详细的【不锈钢高真空挡板阀】参数、选型、价格等请联系我们,我们将竭诚为您服务!



















