• 加拿大28
  • 电话:021-51875578
  • 传真:021-57443237
  • 手机:13916747333
  • 邮箱:a15566@126.com
  • 地址:奉贤区工业综合开发区942号
当前位置:首页 >> 陶瓷阀门 >> 陶瓷摆动阀 >> 摆动式陶瓷出料阀
更新时间 2025-12-4 21:19:03


陶瓷摆动阀
    摆动式陶瓷出料阀
    摆动式陶瓷出料阀   产品名称: 摆动式陶瓷出料阀
    型号:BZ644TC
    口径:DN50-300
    压力:1.0-6.4MPa
    材质:铸钢、不锈钢

    良大优势:

    1、质量稳定:实行全过程质量监控
    细心把关,全方位检测!
    2、价格合理:高效率的成本控制
    减少开支,让利于客户!
    3、交货快捷:充足的库存,便捷的物流
    严格按照合同期交货!

    订货须知:

    请您尽量提供详细参数
    ①名称 ②型号 ③口径 ④压力 ⑤材质
    ⑥连接 ⑦传动 ⑧温度 ⑨介质 ⑩附件

    良大服务:

    提供全套流体控制解决方案,良大阀门
    售前、售中、售后专业服务。
    您正在浏览:【摆动式陶瓷出料阀

       摆动式陶瓷出料阀详细介绍


    摆动式陶瓷出料阀产品概述:

    摆动式陶瓷出料阀(陶瓷旋转阀/盘阀)采用结构陶瓷作密封副(闸板及阀座均为高强度耐磨增韧结构陶瓷材料),硬度高,耐冲刷,耐磨损,大阀腔设计,旋转式闸板密封结构,启闭过程中闸板自旋,启闭灵活,并有研磨自洁功能,阀门关闭时单向密封,适用于干灰、粉煤、渣浆、颗粒物料等介质的输送。常用于气力输送系统中作进料、出料以及排气平衡,无积灰、无卡涩、维护简单、使用寿命长。

    摆动式陶瓷出料阀性能特点:
    所有与介质接触的部分均为结构陶瓷材料,其化学稳定性及硬度极高(洛氏硬度HRC90),仅次于金刚石。因此,本阀具有极高的耐磨损、耐腐蚀、耐冲蚀性能,且隔热性好、热膨胀小。陶瓷良好的耐磨性,让本阀经久耐用,可靠性极高,使用寿命长,是钛合金阀和蒙乃尔阀的2-4倍。用于高硬度的颗粒介质,或有软颗粒但又有腐蚀的介质中,本阀门具有无可比拟的绝对优势,也是目前唯一合适此类介质的阀门。

    摆动式陶瓷出料阀
    应用范围:
    耐磨陶瓷阀门主要应用于电力、石油、化工、冶金、采矿、污水处理等工业领域,尤其是面对高磨损、强腐蚀、高温、高压等恶劣工况,陶瓷阀更显示出它卓越的性能。陶瓷阀门能满足高磨损、强腐蚀的使用环境,尤其突出的特点是超长的使用寿命,陶瓷阀门的性能价格比远远优于其它同类金属阀门。随着科学技术的不断发展和进步,陶瓷材料从配方、成型、加工及装配工艺等各方面的技术更加趋于成熟和完备,陶瓷阀门以其优异的性能越来得到阀门行业人士的认同。利用制造陶瓷阀门的成功经验还可以推广应用于更广泛的工程领域。

    摆动式陶瓷出料阀应用规范:

    设计与制造

     GB/T 12224

     连接端尺寸
    Connection end
    dimension

    结构长度
    Structural length 

    厂商标准
    Manufacturer's standard 

     法兰尺寸
    Flange dimension

     JB/T79.1

    检验与试验     Inspection and test 

     GB/T 9092

     材料
    Material

     碳钢
    Carbon steel

     GB/T 12229

     不锈钢
    Stainless steel

     GB/T 12230

    标志      Mark

    GB/T 12220 

     供货     Supply

     GB/T 12252


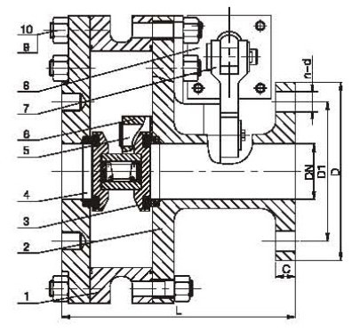
    摆动式陶瓷出料阀零件材料:

    序号

     名称

     材料

     序号

     名称

     材料

     1

     中体
    Middle body

    WCB 

     5

    托架
    Bracket 

     WCB 

     2

    法体
    Flange body 

    WCB 

     6

    阀体
    Body 

     WCB 

     3

    阀座
    Seat 

    结构陶瓷
    Structural Ceramic 

     7

     气动装置
    Pneumatic device

    成品件
    Finished pieces 

     4

    阀板
    Plate 

    WCB+结构陶瓷
    WCB of Structural Ceramic 

     8

     支架
    Blacket

    Q235 


    摆动式陶瓷出料阀外形结构图:


    摆动式陶瓷出料阀
    连接尺寸:

    DN

     PN(Mpa)

     L

     D

     D1

     C

     n-d

     50

     
     
     
     
     1.0
     
     
     

    210

    160 

    125 

    16 

    4-Φ18

     65

    210 

    180 

    145 

    18 

    4-Φ18

     80

    250

     195

     160

     20

     8-Φ18 

     100

    250

     215

     180

     20

     8-Φ18

     125

     265

     245

     210

     22

     8-Φ18

     150

     285

     280

     240

     24

     8-Φ23

     200

     310

     340

     295

     26

     8-Φ23

     250

     350

     405

     350

     30

     12-Φ23

     300

     350

     460

     400

     30

     12-Φ23


    提示:本文中所有文字、数据、图片均只适用于参考,需要了解更详细的【摆动式陶瓷出料阀】参数、选型、价格等请联系我们,我们将竭诚为您服务!