• 加拿大28
  • 电话:021-51875578
  • 传真:021-57443237
  • 手机:13916747333
  • 邮箱:a15566@126.com
  • 地址:奉贤区工业综合开发区942号
当前位置:首页 >> 陶瓷阀门 >> 陶瓷蝶阀 >> 陶瓷对夹蝶阀
更新时间 2025-12-4 21:18:58


陶瓷蝶阀
    陶瓷对夹蝶阀
    陶瓷对夹蝶阀   产品名称: 陶瓷对夹蝶阀
    型号:D371TC
    口径:DN50-300
    压力:1.0-6.4MPa
    材质:铸钢、不锈钢

    良大优势:

    1、质量稳定:实行全过程质量监控
    细心把关,全方位检测!
    2、价格合理:高效率的成本控制
    减少开支,让利于客户!
    3、交货快捷:充足的库存,便捷的物流
    严格按照合同期交货!

    订货须知:

    请您尽量提供详细参数
    ①名称 ②型号 ③口径 ④压力 ⑤材质
    ⑥连接 ⑦传动 ⑧温度 ⑨介质 ⑩附件

    良大服务:

    提供全套流体控制解决方案,良大阀门
    售前、售中、售后专业服务。
    您正在浏览:【陶瓷对夹蝶阀

       陶瓷对夹蝶阀详细介绍


    陶瓷对夹蝶阀产品概述:

    陶瓷对夹蝶阀是一种结构简单的调节阀,也可用于低压管道介质的开关控制采用结构陶瓷做密封副,其优良的耐腐蚀、耐高温、耐磨损及耐冲蚀性能可广泛应用于石化、冶金、造纸、电站、炼油、煤炭等行业的各类酸碱盐气体、液体、高温蒸汽、泥浆和灰渣输送系统中作调节流量或切断介质。运动部分均采用结构陶瓷材料,弧面接触加工。采用偏心结构,减小运动部分的摩擦,延长阀门的使用寿命。蝶阀部分材质可依用途更换,适用于多种高磨损、高温、高腐的特殊工况。驱动方式有手动、气动、电动等。小巧轻便,容易拆装及维修,并可在任意位置安装。结构简单、紧凑,操作扭矩小,90°回转开启迅速。流量特性趋直线,调节性能好。

    陶瓷对夹蝶阀应用规范:

     设计与制造

     GB/T 12238

     连接端尺寸

     结构长度

    GB/T 12221 

    法兰尺寸 

    GB/T 9113 

     检验与试验

    JB/T 9092 

     材料

    碳钢/304 

    GB/T 12229 

    不锈钢 

    GB/T 12230 

     标志

     GB/T 12220

     供货

     GB/T 12252


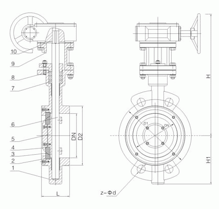
    陶瓷对夹蝶阀零件材料

    序号

     名称

     材料

     序号

     名称

     材料

     1

     阀体

    WCB/304 

     6

    阀杆 

    2Cr13/304 

     2

    压圈 

    Q235/304 

     7

     填料

     柔性石墨

     3

    阀座 

    结构陶瓷 

     8

     填料压盖

     WCB/304

     4

     密封圈

     结构陶瓷

     9

    支架 

     WCB/304

     5

     阀板

    WCB/304 

     10

    驱动装置 

    成品件 


    陶瓷对夹蝶阀外形结构图:


    陶瓷对夹蝶阀连接尺寸:

     DN

     PN(Mpa)

     L

     D1

     D2

     H

     H1

     z-Φd

      50 

     1.0

     43

     125

     100

     260

      85 

     4-Φ18

     65

      46 

    145 

    120 

     285

     95

     4-Φ18

     80

     49

    160 

    135 

     322

     110

    4-Φ18

     100

     56

    180 

    155 

    338 

     122

     8-Φ18

     125

     64

    210 

    185 

    372 

     138

    8-Φ18 

     150

     70

    240 

    210 

    404 

     158

    8-Φ23 

     200

     71 

    295 

    265 

    496 

     188

     8-Φ23

     250

    76 

    350 

     320

    558 

     224

    12-Φ23

     300

    83

    400 

    368 

     632

     254

    12-Φ23


    提示:本文中所有文字、数据、图片均只适用于参考,需要了解更详细的【陶瓷对夹蝶阀】参数、选型、价格等请联系我们,我们将竭诚为您服务!