- 加拿大28
- 电话:021-51875578
- 传真:021-57443237
- 手机:13916747333
- 邮箱:a15566@126.com
- 地址:奉贤区工业综合开发区942号
当前位置:首页 >> 陶瓷阀门
>> 陶瓷蝶阀 >> 三偏心陶瓷蝶阀 更新时间 2025-12-4 21:18:59
陶瓷蝶阀
| 三偏心陶瓷蝶阀 |
![]() |
产品名称: | 三偏心陶瓷蝶阀 | |||||
| 型号: | D373TC | ||||||
| 口径: | DN50-500 | ||||||
| 压力: | 0.6-6.4MPa | ||||||
| 材质: | 铸钢、不锈钢 | ||||||
|
|||||||
| 您正在浏览:【三偏心陶瓷蝶阀】 | |||||||
三偏心陶瓷蝶阀详细介绍
三偏心陶瓷蝶阀产品概述:
三偏心陶瓷蝶阀的阀板密封面和阀座密封面采用高性能耐磨增韧结构陶瓷材料,采用三维偏心加斜锥角原理设计,使密封副的空间运动轨迹达到最理想的状态,同时保证良好的密封性能。
三偏心陶瓷蝶阀的阀板密封面和阀座密封面采用高性能耐磨增韧结构陶瓷材料,采用三维偏心加斜锥角原理设计,使密封副的空间运动轨迹达到最理想的状态,同时保证良好的密封性能。
三偏心陶瓷蝶阀结构特点:
三偏心陶瓷蝶阀的阀板密封面和阀座密封面采用高性能耐磨增韧结构陶瓷材料,采用三维偏心加斜锥角原理设计,使密封副的空间运动轨迹达到最理想的状态,同时保证良好的密封性能。
1、阀门整体结构紧凑,体积小,重量轻,安装使用维护方便。
2、陶瓷蝶阀密封面为一对结构陶瓷密封副,采用先进的陶瓷球面加工技术加工而成,结构陶瓷材质的高硬度和优异的耐腐蚀性能使陶瓷蝶阀适用于多种磨损及腐蚀性工况。
3、密封副间三偏心锥角结构使蝶阀开启瞬间两密封面即刻相互脱离,以减少磨损性介质对阀门密封面的损伤。
三偏心陶瓷蝶阀应用规范:
设计规范:JB/T 8527
结构长度:GB/T 12221
连接标准:GB/T 9113
压力试验:JB/T 9092
产品标识:GB/T 12220
供货规范:GB/T 12252
设计规范:JB/T 8527
结构长度:GB/T 12221
连接标准:GB/T 9113
压力试验:JB/T 9092
产品标识:GB/T 12220
供货规范:GB/T 12252
三偏心陶瓷蝶阀零件材料:
主体:碳钢(WCB)、不锈钢(CF8、CF8M、CF3、CF3M)等
蝶板:不锈钢
阀杆:不锈钢
填料:橡胶/聚四氟乙烯/编织石墨
公称通径:DN50-DN500(2"-20")
公称压力:PN6-PN64
适用温度:-29~+425℃
操作方式:手轮,伞齿轮、气动、电动、液动、电液(可选)
适用介质:纸浆、污水、煤浆、矿渣等磨损性介质
主体:碳钢(WCB)、不锈钢(CF8、CF8M、CF3、CF3M)等
蝶板:不锈钢
阀杆:不锈钢
填料:橡胶/聚四氟乙烯/编织石墨
公称通径:DN50-DN500(2"-20")
公称压力:PN6-PN64
适用温度:-29~+425℃
操作方式:手轮,伞齿轮、气动、电动、液动、电液(可选)
适用介质:纸浆、污水、煤浆、矿渣等磨损性介质
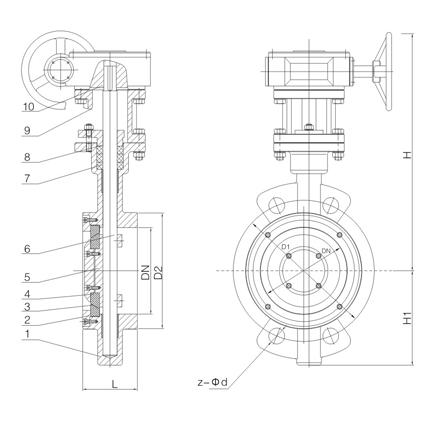
三偏心陶瓷蝶阀外形结构图:

三偏心陶瓷蝶阀连接尺寸:
DN |
PN(Mpa) |
L |
D1 |
D2 |
H |
H1 |
z-Φd |
50 |
1.0 |
43 |
125 |
100 |
260 |
85 |
4-Φ18 |
65 |
46 |
145 |
120 |
285 |
95 |
4-Φ18 |
|
80 |
49 |
160 |
135 |
322 |
110 |
4-Φ18 |
|
100 |
56 |
180 |
155 |
338 |
122 |
8-Φ18 |
|
125 |
64 |
210 |
185 |
372 |
138 |
8-Φ18 |
|
150 |
70 |
240 |
210 |
404 |
158 |
8-Φ23 |
|
200 |
71 |
295 |
265 |
496 |
188 |
8-Φ23 |
|
250 |
76 |
350 |
320 |
558 |
224 |
12-Φ23 |
|
300 |
83 |
400 |
368 |
632 |
254 |
12-Φ23 |
提示:本文中所有文字、数据、图片均只适用于参考,需要了解更详细的【三偏心陶瓷蝶阀】参数、选型、价格等请联系我们,我们将竭诚为您服务!



















