• 加拿大28
  • 电话:021-51875578
  • 传真:021-57443237
  • 手机:13916747333
  • 邮箱:a15566@126.com
  • 地址:奉贤区工业综合开发区942号
当前位置:首页 >> 陶瓷阀门 >> 陶瓷进料阀 >> 钟罩式翻板进料阀
更新时间 2025-12-4 21:19:02


陶瓷进料阀
    钟罩式翻板进料阀
    钟罩式翻板进料阀   产品名称: 钟罩式翻板进料阀
    型号:JQ641FM
    口径:DN100-250
    压力:1.0-6.4MPa
    材质:铸钢、不锈钢

    良大优势:

    1、质量稳定:实行全过程质量监控
    细心把关,全方位检测!
    2、价格合理:高效率的成本控制
    减少开支,让利于客户!
    3、交货快捷:充足的库存,便捷的物流
    严格按照合同期交货!

    订货须知:

    请您尽量提供详细参数
    ①名称 ②型号 ③口径 ④压力 ⑤材质
    ⑥连接 ⑦传动 ⑧温度 ⑨介质 ⑩附件

    良大服务:

    提供全套流体控制解决方案,良大阀门
    售前、售中、售后专业服务。
    您正在浏览:【钟罩式翻板进料阀

       钟罩式翻板进料阀详细介绍


    钟罩式翻板进料阀产品简介:

    钟罩式翻板进料阀主要用于电力干除灰系统仓泵进料阀,也可用于矿山、冶金、造纸和化工行业的气力输灰系统。进料阀直接与仓泵连接并融为一体,由气缸驱动摇臂做90°旋转实现阀门启闭功能。这种结构的进料阀可以满足仓泵中气输干灰的恶劣条件,其氟橡胶的密封面对干灰微粒有较大的包容性,不易磨损,并可耐250℃以下的高温,密封件可直接更换。本阀门钟罩形的阀腔不易结灰,阀体上开出的手孔可以在线更换内部的密封零件,维修方便。

    钟罩式翻板进料阀特点与用途:
    1、本进料阀专用于发电厂干灰系统,浓向输送仓泵进料用阀门。工作由直行程气缸带动,可频繁工作,每小时可达6-10次,气源压力为0.4-0.6MPa。
    2、本阀阀体材质为铸钢和焊接件两种。阀板与阀座和所有密封件均采用氟橡胶,耐温可达250º左右,本阀的所有密封件可定期更换。
    3、
    本阀密封性能好,耐磨性强,启动负荷小,卡灰及积灰现象少,使用寿命长。本阀门有流体阻力小,启闭省力,全开时受介质冲蚀小,安装方便等特点,主要用于介质的切断。 

    钟罩式翻板进料阀应用规范
      设计与制造  GB/T 12224
    连接端尺寸  结构长度 厂商标准 
     法兰尺寸  JB/T 79.1
    检验与试验   GB/T 9092 
    材料  碳钢  GB/T 12229 
    不锈钢  GB/T 12230 
    标志    GB/T 12220
      供货  GB/T 12252

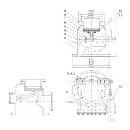
    钟罩式翻板进料阀零件材料:
    序号  名称  材料  序号  名称  材料
     1 阀体  20#   7 阀瓣支座   20#
     2 封盖   20#  8 阀瓣   20#
     3 阀杆压盖   Q235  9  阀瓣衬 NBR 
     4  阀杆  2Cr13  10  阀座  NBR
     5  阀瓣连杆  25#  11  螺钉 B7 
     6 销轴   35#  12 气动装置   

    钟罩式翻板进料阀外形结构图:


    钟罩式翻板进料阀连接尺寸:
     DN  D  D1  D2  C  H  Z-d  L  G
     100  215  180 155   20 737  8-Φ18   360 248 
     125  245  210  185  24  775  8-Φ18  600  300
     150  280  240  210  24  837 8-Φ23   650  320
     175  310  270  240  26  915 8-Φ23   650  340
     200  335  295  265  26  1007  8-Φ23  640  360
     225  365  325  295  28  1110  8-Φ23  640  370
     250  390 350   320 28   1245  8-Φ23 640   385

    提示:本文中所有文字、数据、图片均只适用于参考,需要了解更详细的【钟罩式翻板进料阀】参数、选型、价格等请联系我们,我们将竭诚为您服务!