- 加拿大28
- 电话:021-51875578
- 传真:021-57443237
- 手机:13916747333
- 邮箱:a15566@126.com
- 地址:奉贤区工业综合开发区942号
当前位置:首页 >> 陶瓷阀门
>> 圆顶阀 >> 圆顶阀 | 圆顶阀 |
![]() |
产品名称: | 圆顶阀 | |||||
| 型号: | YDF | ||||||
| 口径: | DN50-350 | ||||||
| 压力: | 1.0-6.4MPa | ||||||
| 材质: | 铸钢、不锈钢 | ||||||
|
|||||||
| 您正在浏览:【圆顶阀】 | |||||||
圆顶阀详细介绍
圆顶阀产品概述:
圆顶阀是一种新型的快速起闭阀门,是目前国际上燃煤电厂气力输灰系统中使用数量最多、使用效果最佳的关键性阀门。主要应用于电力、冶金、化工、食品、制药等领域气力输送系统中的干灰、干粉物料的进料口、出料口、排气口、助吹口、排堵口及管道切换的开关控制。产品的优良性能在多年市场运作中得到充分验证,赢得了广大客户的信赖。
圆顶阀工作原理:
圆顶阀阀芯是一个球面圆顶,圆顶阀在开关过程中,阀芯与橡胶密封圈间保持有约2mm的间隙,使阀芯与橡胶密封圈可以以无接触的方式运动,目的是使阀芯与密封圈之间不产生摩擦,减少磨损。圆顶阀的气动执行元件为全封闭回转推杆式气缸,直接驱动圆顶阀转动,有效地防止了灰尘进入其中造成磨损、泄漏等现象的发生。当圆顶阀处于关闭状态时,橡胶密封圈充气,膨胀紧紧地压在球面圆顶阀芯上,从而形成一个非常可靠的密封环带,阻止了管道内物料的流动。当圆顶阀开启时,橡胶密封圈排气,圆顶阀阀芯开启,此时阀门打开。
圆顶阀性能特点:
1、 启闭灵活、阀芯无冲刷 圆顶阀在开关过程中,阀芯与特制的橡胶密封圈保持有0.8~1.5mm的间隙,阀芯动作时与密封圈无接触、运行阻力小、转动灵活、可靠,密封圈的使用寿命长;阀门开启时,料口全流通无阻挡,避免了物料对阀芯的直接冲刷。
2、密封严密、性能优良 圆顶阀的密封采用特制可充气式橡胶密封圈,密封性好。当圆顶阀处于关闭状态时,橡胶密封圈充气、膨胀,紧紧包裹在球面阀芯上,形成一个非常可靠的密封环带,密封严密,从而能有效截断管道内物料的流动。
3、选材考究、工艺科学 阀芯是圆顶阀的核心部件,根据使用工况的不同采用不同的耐磨材料,使产品具有耐磨、耐冲刷等特性;阀芯光滑坚硬的表面,保证了阀芯与橡胶密封圈的紧密接触,实现了密封的最佳配置。
4、 自动控制、运行可靠 圆顶阀的气动执行器采用全封闭回转推杆式直缸驱动,回转输出,性能可靠,输出扭矩大,可满足在恶劣工况条件下工作。
圆顶阀零件材料:
序号
N o.
名称
Name
材料
material
序号
N o.
名称
Name
材料
material
1
阀体
Body
WCB
6
座板
Seat plate
WCB
2
下阀杆
Stem
2Cr13
7
隔环
Spacer ring
F6a
3
半球体
Half & ball
WCB+球面镀硬铬
WCB+Spherical surface with hard chrome plating
8
摆杆
Swing bar
WCB
4
上阀杆
Stem
2Cr13
9
支架
Blacket
Q235
5
密封圈
Seal Ring
耐磨橡胶
Anti-wear rubber
10
气动装置
Pneumatic device
成品件
Finished pieces
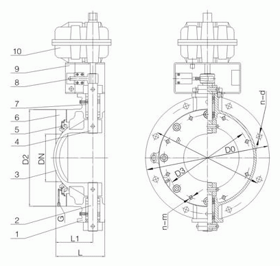
圆顶阀外形结构图:

圆顶阀连接尺寸:
DN
L
L1
D0
D1
D2
D3
G
n-M
n-d
50
100
60
280
240
160
125
1/8
4-M12
4-18
65
110
70
250
210
180
145
1/8
4-M12
4-18
80
120
80
280
240
200
160
1/8
4-M12
6-18
100
130
95
335
295
240
200
1/8
4-M12
6-18
125
140
110
365
325
280
240
1/8
6-M12
6-22
150
160
125
390
350
320
280
1/8
6-M12
6-22
175
180
140
440
400
360
320
1/8
8-M12
8-22
200
205
155
520
470
415
315
1/8
8-M12
8-22
250
240
185
580
525
460
420
1/8
8-M20
12-27
300
280
220
640
585
530
470
1/8
8-M20
12-27
350
320
250
740
675
605
480
1/8
8-M20
12-27
圆顶阀安装使用注意事项:
1、安装前仔细阅读说明书,并核对阀门型号、通径及技术参数。
2、严禁装上阀门后施焊法兰,以免损坏阀门密封圈。管道自先预留的阀门安装距离应适应,法兰两边加垫片。
3、两管道中心与阀门通径中心应保持同轴,法兰面应平整,不允许法兰面有较大的偏斜,以保证阀门的夹紧和正常工作。拧紧螺栓应做到均匀对称。
4、该阀门出厂前已做调整和动态试验,气路已经连接完好。
5、主要易损件为密封圈和阀芯。
圆顶阀工作原理:
圆顶阀阀芯是一个球面圆顶,圆顶阀在开关过程中,阀芯与橡胶密封圈间保持有约2mm的间隙,使阀芯与橡胶密封圈可以以无接触的方式运动,目的是使阀芯与密封圈之间不产生摩擦,减少磨损。圆顶阀的气动执行元件为全封闭回转推杆式气缸,直接驱动圆顶阀转动,有效地防止了灰尘进入其中造成磨损、泄漏等现象的发生。当圆顶阀处于关闭状态时,橡胶密封圈充气,膨胀紧紧地压在球面圆顶阀芯上,从而形成一个非常可靠的密封环带,阻止了管道内物料的流动。当圆顶阀开启时,橡胶密封圈排气,圆顶阀阀芯开启,此时阀门打开。
圆顶阀性能特点:
圆顶阀零件材料:
序号 |
名称 |
材料 |
序号 |
名称 |
材料 |
1 |
阀体 |
WCB |
6 |
座板 |
WCB |
2 |
下阀杆 |
2Cr13 |
7 |
隔环 |
F6a |
3 |
半球体 |
WCB+球面镀硬铬 |
8 |
摆杆 |
WCB |
4 |
上阀杆 |
2Cr13 |
9 |
支架 |
Q235 |
5 |
密封圈 |
耐磨橡胶 |
10 |
气动装置 |
成品件 |
圆顶阀外形结构图:

圆顶阀连接尺寸:
DN |
L |
L1 |
D0 |
D1 |
D2 |
D3 |
G |
n-M |
n-d |
50 |
100 |
60 |
280 |
240 |
160 |
125 |
1/8 |
4-M12 |
4-18 |
65 |
110 |
70 |
250 |
210 |
180 |
145 |
1/8 |
4-M12 |
4-18 |
80 |
120 |
80 |
280 |
240 |
200 |
160 |
1/8 |
4-M12 |
6-18 |
100 |
130 |
95 |
335 |
295 |
240 |
200 |
1/8 |
4-M12 |
6-18 |
125 |
140 |
110 |
365 |
325 |
280 |
240 |
1/8 |
6-M12 |
6-22 |
150 |
160 |
125 |
390 |
350 |
320 |
280 |
1/8 |
6-M12 |
6-22 |
175 |
180 |
140 |
440 |
400 |
360 |
320 |
1/8 |
8-M12 |
8-22 |
200 |
205 |
155 |
520 |
470 |
415 |
315 |
1/8 |
8-M12 |
8-22 |
250 |
240 |
185 |
580 |
525 |
460 |
420 |
1/8 |
8-M20 |
12-27 |
300 |
280 |
220 |
640 |
585 |
530 |
470 |
1/8 |
8-M20 |
12-27 |
350 |
320 |
250 |
740 |
675 |
605 |
480 |
1/8 |
8-M20 |
12-27 |



















