- 加拿大28
- 电话:021-51875578
- 传真:021-57443237
- 手机:13916747333
- 邮箱:a15566@126.com
- 地址:奉贤区工业综合开发区942号
当前位置:首页 >> 陶瓷阀门
>> 圆顶阀 >> 气动圆顶阀 | 气动圆顶阀 |
![]() |
产品名称: | 气动圆顶阀 | |||||
| 型号: | YDF-B | ||||||
| 口径: | DN50-350 | ||||||
| 压力: | 1.0-6.4MPa | ||||||
| 材质: | 铸钢、不锈钢 | ||||||
|
|||||||
| 您正在浏览:【气动圆顶阀】 | |||||||
气动圆顶阀详细介绍
气动圆顶阀产品概述:
圆顶阀阀芯根据使用场合的不同,采用不同材料,表面进行不同硬化处理方式,利用阀芯光滑坚硬的表面,可保证与橡胶密封圈良好的紧密接触,以确保密封的可靠。橡胶密封圈采用特种橡胶制成,具有耐高温、耐腐蚀、耐磨损、耐老化等特点,使用寿命长。阀门开启时,料口全流通无阻挡。该阀适用于气体、液体、半流体及固体粉末等物质。气动执行器采用直线汽缸或扇形气缸全封闭驱动,输出扭距大,性能可靠,可满足在恶劣工况条件下工作。
气动圆顶阀应用规范:
|
设计与制造 |
GB/T 12224 |
|
|
连接端尺寸 |
结构长度 |
厂商标准 |
|
法兰尺寸 |
厂商标准 |
|
|
检验与试验 Inspection and test |
GB/T 9092 |
|
|
材料 |
碳钢 |
GB/T 12229 |
|
不锈钢 |
GB/T 12230 |
|
|
标志 Mark |
GB/T 12220 |
|
气动圆顶阀零件材料:
序号 |
名称 |
材料 |
序号 |
名称 |
材料 |
1 |
阀体 |
WCB |
6 |
座板 |
WCB |
2 |
下阀杆 |
2Cr13 |
7 |
隔环 |
F6a |
3 |
半球体 |
WCB+球面镀硬铬 |
8 |
摆杆 |
WCB |
4 |
上阀杆 |
2Cr13 |
9 |
支架 |
Q235 |
5 |
密封圈 |
耐磨橡胶 |
10 |
气动装置 |
成品件 |
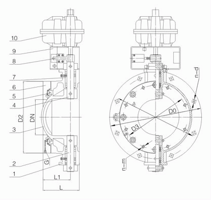
气动圆顶阀外形结构图:

气动圆顶阀连接尺寸:
|
DN |
L |
L1 |
D0 |
D1 |
D2 |
D3 |
G |
n-M |
n-d |
|
50 |
100 |
60 |
280 |
240 |
160 |
125 |
1/8 |
4-M12 |
4-18 |
|
65 |
110 |
70 |
250 |
210 |
180 |
145 |
1/8 |
4-M12 |
4-18 |
|
80 |
120 |
80 |
280 |
240 |
200 |
160 |
1/8 |
4-M12 |
6-18 |
|
100 |
130 |
95 |
335 |
295 |
240 |
200 |
1/8 |
4-M12 |
6-18 |
|
125 |
140 |
110 |
365 |
325 |
280 |
240 |
1/8 |
6-M12 |
6-22 |
|
150 |
160 |
125 |
390 |
350 |
320 |
280 |
1/8 |
6-M12 |
6-22 |
|
175 |
180 |
140 |
440 |
400 |
360 |
320 |
1/8 |
8-M12 |
8-22 |
|
200 |
205 |
155 |
520 |
470 |
415 |
315 |
1/8 |
8-M12 |
8-22 |
|
250 |
240 |
185 |
580 |
525 |
460 |
420 |
1/8 |
8-M20 |
12-27 |
|
300 |
280 |
220 |
640 |
585 |
530 |
470 |
1/8 |
8-M20 |
12-27 |
|
350 |
320 |
250 |
740 |
675 |
605 |
480 |
1/8 |
8-M20 |
12-27 |



















